Для студентов МГТУ им. Н.Э.Баумана по предмету Технология конструкционных материалов (ТКМ)Разработка технологии изготовления отливок - КатокРазработка технологии изготовления отливок - Каток
5,00516
2020-10-282020-10-28СтудИзба
ДЗ 1: Разработка технологии изготовления отливок - Каток вариант 4, 6
Описание
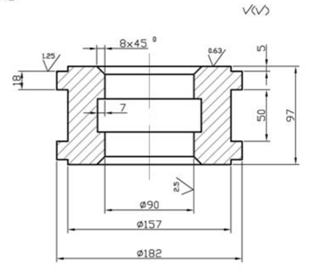
Разработка технологии изготовления отливки из чугуна литьем в песчаные формы. Расписан процесс получения данной детали.
![]()

Характеристики домашнего задания
Учебное заведение
Номер задания
Просмотров
351
Размер
1,93 Mb
Список файлов
ТКМ (1).docx
Комментарии
Нет комментариев
Стань первым, кто что-нибудь напишет!
МГТУ им. Н.Э.Баумана

















