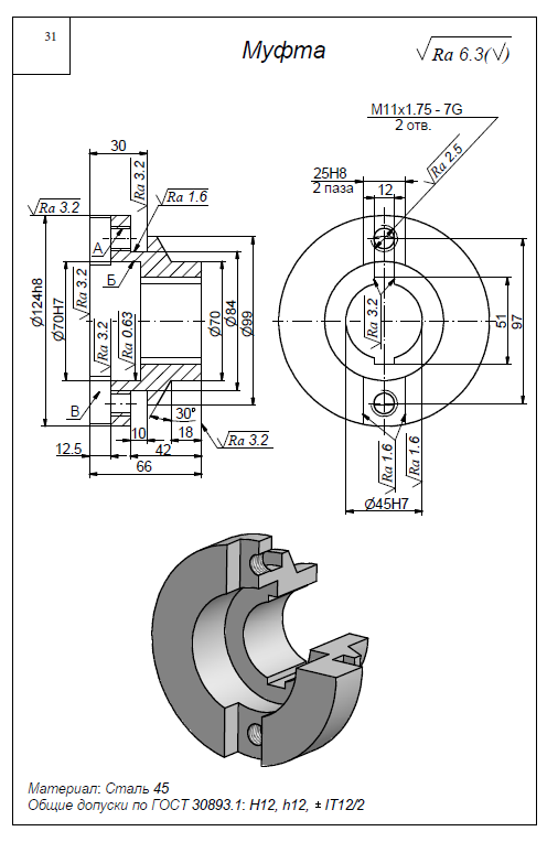
Для студентов МГТУ им. Н.Э.Баумана по предмету Технология конструкционных материалов (ТКМ)Механическая обработка заготовок деталей машин - МуфтаМеханическая обработка заготовок деталей машин - Муфта
5,0055
2020-10-192020-10-19СтудИзба
ДЗ 3: Механическая обработка заготовок деталей машин - Муфта вариант 31
Описание
Характеристики домашнего задания
Учебное заведение
Номер задания
Вариант
Просмотров
164
Размер
1,4 Mb
Список файлов
Домашнее задание №1 Проектирование детали Муфта (вариант №1).pdf

НОВИНКА: отчеты по практикам! Поиск - по названию предприятия в тэге. База учебных материалов МГТУ им. Н.Э. Баумана в формате pdf, оригиналы файлов отсутствуют (если иное не оговорено в описании). Вопросы задавайте ДО покупки в комментариях под файлами.