Для студентов МГТУ им. Н.Э.Баумана по предмету Технология конструкционных материалов (ТКМ)Механическая обработка заготовок деталей машин - КольцоМеханическая обработка заготовок деталей машин - Кольцо
5,0052
2020-09-302020-09-30СтудИзба
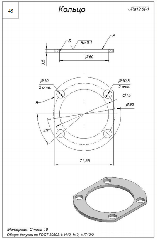
ДЗ 3: Механическая обработка заготовок деталей машин - Кольцо вариант 45
Описание

Характеристики домашнего задания
Учебное заведение
Номер задания
Вариант
Просмотров
147
Размер
528,66 Kb
Список файлов
ТКМ ОР 45.doc
Комментарии
Нет комментариев
Стань первым, кто что-нибудь напишет!
МГТУ им. Н.Э.Баумана
















