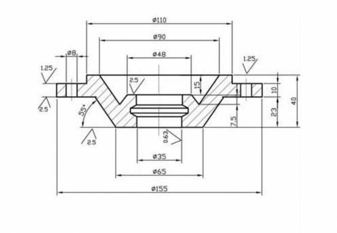
Для студентов МГТУ им. Н.Э.Баумана по предмету Технология конструкционных материалов (ТКМ)Технология изготовления поковок - КрышкаТехнология изготовления поковок - Крышка
5,0058
2020-09-232025-11-18СтудИзба
ДЗ 2: Технология изготовления поковок - Крышка вариант 2
Описание
Характеристики домашнего задания
Учебное заведение
Номер задания
Вариант
Просмотров
298
Размер
1,32 Mb
Список файлов
ДЗ2 ТКМ.docx
Комментарии
Нет комментариев
Стань первым, кто что-нибудь напишет!
МГТУ им. Н.Э.Баумана

















