Для студентов МГТУ им. Н.Э.Баумана по предмету Технология конструкционных материалов (ТКМ)Механическая обработка заготовок деталей машин - КольцоМеханическая обработка заготовок деталей машин - Кольцо
5,0053
2020-08-032020-08-03СтудИзба
ДЗ 3: Механическая обработка заготовок деталей машин - Кольцо вариант 45
Описание
В архиве (отчет выполнялся для практики, но подойдет и для задания в семестре, нужно будет удалить лишнее самому или распечатать все -> больше лучше, чем меньше):
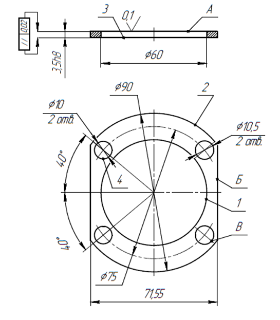
Пример оформления технологического процесса и схем обработки:
![]()
- 3D модели и соответствующие чертежи кольца и заготовки (Компас);
- Полный технологический процесс обработки "Кольца" (отчет выполнялся для практики так что представлен весь технологический процесс от заготовки до конечного изделия);
- Все схемы для соответствующих операций и переходов выполненные по ГОСТ;
- Отчет оформленный в Word;

Пример оформления технологического процесса и схем обработки:


Характеристики домашнего задания
Учебное заведение
Номер задания
Вариант
Просмотров
159
Размер
898,7 Kb
Список файлов
Заготовка Кольцо.cdw
Заготовка Кольцо.m3d
Заготовка Кольцо.pdf
Кольцо.cdw
Кольцо.m3d
Кольцо.pdf
Отчет.docx