Для студентов МГТУ им. Н.Э.Баумана по предмету Технология конструкционных материалов (ТКМ)Механическая обработка заготовок деталей машин - КорпусМеханическая обработка заготовок деталей машин - Корпус
4,9552314
2020-07-162020-07-16СтудИзба
ДЗ 3: Механическая обработка заготовок деталей машин - Корпус вариант 24, 26
Описание
Домашняя работа состоит из следующих пунктов:
1. Анализ исходных данных.
2. Выбор вида механической обработки резанием.
3. Выбор вида заготовки.
4. Условия технической реализации обработки поверхностей.
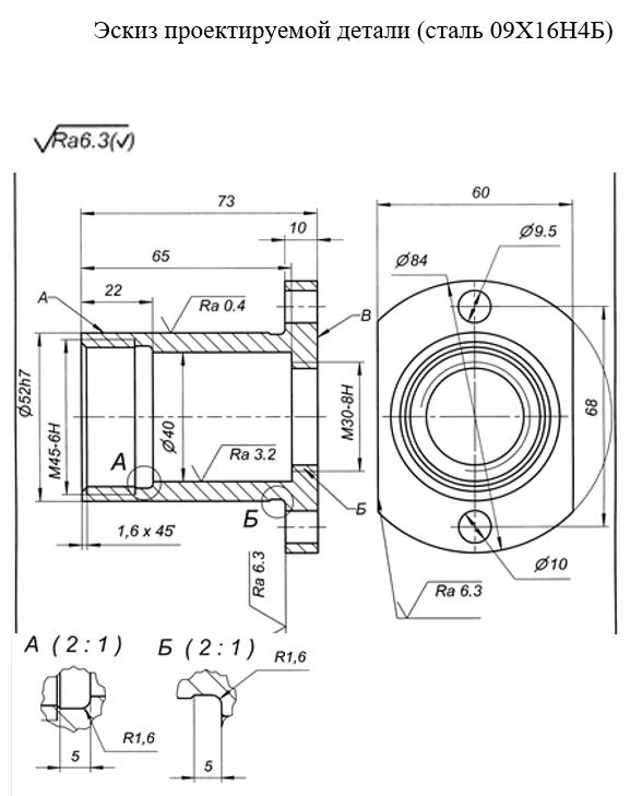
5. Оценка технологичности конструкции детали.![]()
1. Анализ исходных данных.
2. Выбор вида механической обработки резанием.
3. Выбор вида заготовки.
4. Условия технической реализации обработки поверхностей.
5. Оценка технологичности конструкции детали.

Характеристики домашнего задания
Учебное заведение
Номер задания
Просмотров
176
Качество
Идеальное компьютерное
Размер
811,69 Kb
Список файлов
ДЗ №2, 27 вариант.docx
Комментарии
Нет комментариев
Стань первым, кто что-нибудь напишет!
МГТУ им. Н.Э.Баумана


















