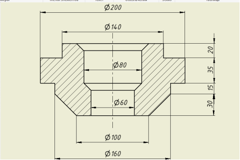
Для студентов МГТУ им. Н.Э.Баумана по предмету Технология конструкционных материалов (ТКМ)Технология изготовления поковок - ФланецТехнология изготовления поковок - Фланец
5,00510
2020-04-222020-04-22СтудИзба
ДЗ 2: Технология изготовления поковок - Фланец вариант 16
Описание

Характеристики домашнего задания
Учебное заведение
Номер задания
Вариант
Просмотров
400
Размер
1,36 Mb
Список файлов
ReadMe.txt
Чиликина П.А. Э8-41Б Штамповка. вариант 16.docx
Комментарии
Нет комментариев
Стань первым, кто что-нибудь напишет!
МГТУ им. Н.Э.Баумана
vk_172722074



















