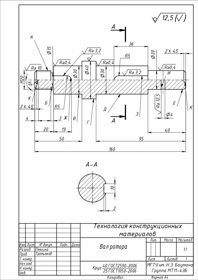
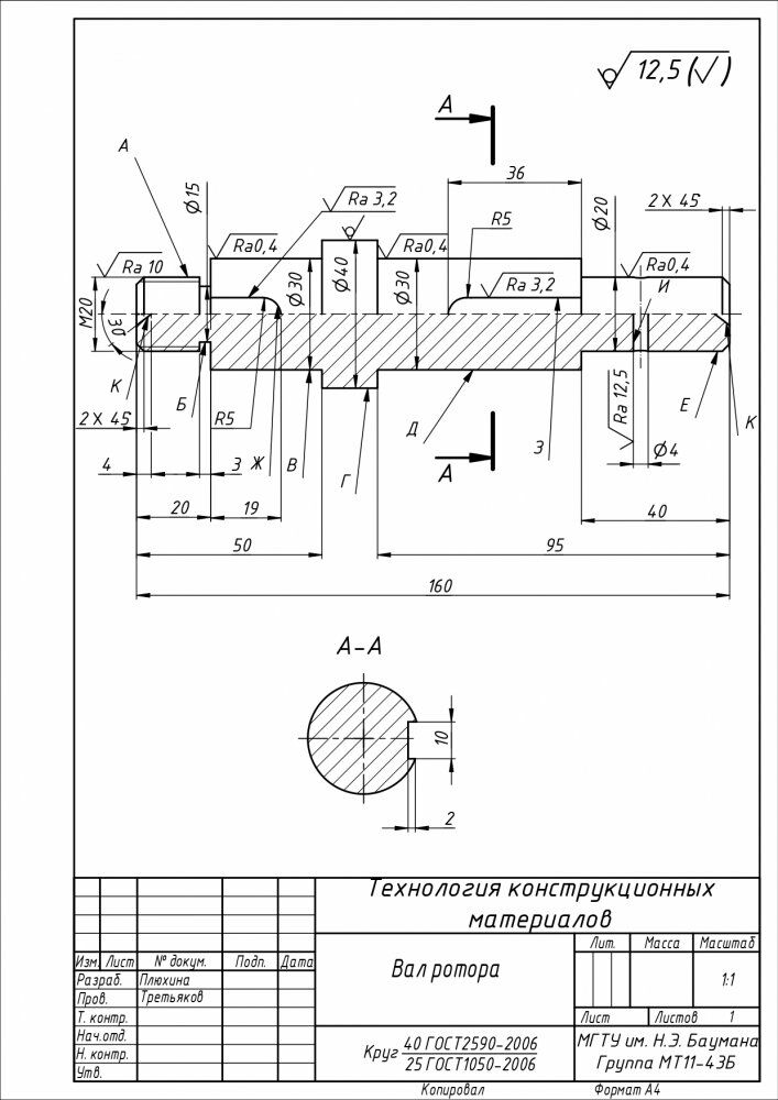
Для студентов МГТУ им. Н.Э.Баумана по предмету Технология конструкционных материалов (ТКМ)Механическая обработка заготовок деталей машин - Вал ротораМеханическая обработка заготовок деталей машин - Вал ротора
5,00515
2020-04-202020-04-20СтудИзба
ДЗ 3: Механическая обработка заготовок деталей машин - Вал ротора вариант 49
Описание
Характеристики домашнего задания
Учебное заведение
Номер задания
Вариант
Просмотров
451
Размер
2,5 Mb
Список файлов
ReadMe.txt
dz1.docx
МГТУ им. Н.Э.Баумана
vk_369063633



















