Главная » Учебные материалы » Технология конструкционных материалов (ТКМ) » Домашние задания » МГТУ им. Н.Э.Баумана » Несколько классов/семестров » Номер 2 » Вариант 5 » Горячая объёмная штамповка в открытых штампах на кривошипных горячештамповочных прессах (КГШП)
Для студентов МГТУ им. Н.Э.Баумана по предмету Технология конструкционных материалов (ТКМ)Горячая объёмная штамповка в открытых штампах на кривошипных горячештамповочных прессах (КГШП)Горячая объёмная штамповка в открытых штампах на кривошипных горячештамповочных прессах (КГШП)
5,005161
2019-12-07СтудИзба

ДЗ 2: Горячая объёмная штамповка в открытых штампах на кривошипных горячештамповочных прессах (КГШП) вариант 5

Описание

ДЗ №3 "Горячая объёмная штамповка в открытых штампах на кривошипных горячештамповочных прессах (КГШП)" выполнено в ворде, со вставками чертежей из автокада
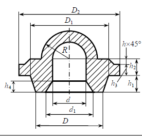
Условие о данной детали смотри на скриншоте:

По заданному чертежу детали требуется разработать технологический процесс изготовления поковки (определить размер исходной заготовки, показать размеры и форму поковки с напусками, принципиальные схемы технологических переходов и штамповой оснастки), определить коэффициент использования материала (КИМ) и подобрать необходимый кривошипный горячештамповочный пресс. Все расчёты полностью привести в домашнем задании.

Для упрощения выполнения учебного технологического задания принято: 1) нагрев заготовки ведётся с применением защитных покрытий, в связи с чем потери на угар при вычислении КИМ не учитываются; 2) исходную заготовку получают достаточно точной по объёму, в связи с чем при вычислении КИМ считается, что деформируемый металл за пределы мостика облойной канавки не вытекает (т.е. учитываем лишь объём металла в области bоб); 3) температурная усадка заготовки не учитывается.


Характеристики домашнего задания

Учебное заведение
Номер задания
Вариант
Просмотров
418
Качество
Идеальное компьютерное
Размер
286,62 Kb

Список файлов

Картинка-подпись
Ваше экономие времени является моей ГЛАВНОЙ задачей! Если я Вам хоть чуть-чуть помог, пожалуйста, сделайте и мне приятное, оставьте 5 ЗВЁЗД и позитивный комментарий. Большое спасибо!

Комментарии

Отзыв
Препод принял
Поделитесь ссылкой:
Цена: 340 руб.
Расширенная гарантия +3 недели гарантии, +10% цены
Рейтинг покупателей
5 из 5
Поделитесь ссылкой:
Сопутствующие материалы

Подобрали для Вас услуги

Подобрали для Вас услуги

Вы можете использовать домашнюю работу для примера, а также можете ссылаться на неё в своей работе. Авторство принадлежит автору работы, поэтому запрещено копировать текст из этой работы для любой публикации, в том числе в свою домашнюю работу в учебном заведении, без правильно оформленной ссылки. Читайте как правильно публиковать ссылки в своей работе.
Свежие статьи
Популярно сейчас
Почему делать на заказ в разы дороже, чем купить готовую учебную работу на СтудИзбе? Наши учебные работы продаются каждый год, тогда как большинство заказов выполняются с нуля. Найдите подходящий учебный материал на СтудИзбе!
Ответы на популярные вопросы
Да! Наши авторы собирают и выкладывают те работы, которые сдаются в Вашем учебном заведении ежегодно и уже проверены преподавателями.
Да! У нас любой человек может выложить любую учебную работу и зарабатывать на её продажах! Но каждый учебный материал публикуется только после тщательной проверки администрацией.
Вернём деньги! А если быть более точными, то автору даётся немного времени на исправление, а если не исправит или выйдет время, то вернём деньги в полном объёме!
Да! На равне с готовыми студенческими работами у нас продаются услуги. Цены на услуги видны сразу, то есть Вам нужно только указать параметры и сразу можно оплачивать.
Отзывы студентов
Ставлю 10/10
Все нравится, очень удобный сайт, помогает в учебе. Кроме этого, можно заработать самому, выставляя готовые учебные материалы на продажу здесь. Рейтинги и отзывы на преподавателей очень помогают сориентироваться в начале нового семестра. Спасибо за такую функцию. Ставлю максимальную оценку.
Лучшая платформа для успешной сдачи сессии
Познакомился со СтудИзбой благодаря своему другу, очень нравится интерфейс, количество доступных файлов, цена, в общем, все прекрасно. Даже сам продаю какие-то свои работы.
Студизба ван лав ❤
Очень офигенный сайт для студентов. Много полезных учебных материалов. Пользуюсь студизбой с октября 2021 года. Серьёзных нареканий нет. Хотелось бы, что бы ввели подписочную модель и сделали материалы дешевле 300 рублей в рамках подписки бесплатными.
Отличный сайт
Лично меня всё устраивает - и покупка, и продажа; и цены, и возможность предпросмотра куска файла, и обилие бесплатных файлов (в подборках по авторам, читай, ВУЗам и факультетам). Есть определённые баги, но всё решаемо, да и администраторы реагируют в течение суток.
Маленький отзыв о большом помощнике!
Студизба спасает в те моменты, когда сроки горят, а работ накопилось достаточно. Довольно удобный сайт с простой навигацией и огромным количеством материалов.
Студ. Изба как крупнейший сборник работ для студентов
Тут дофига бывает всего полезного. Печально, что бывают предметы по которым даже одного бесплатного решения нет, но это скорее вопрос к студентам. В остальном всё здорово.
Спасательный островок
Если уже не успеваешь разобраться или застрял на каком-то задание поможет тебе быстро и недорого решить твою проблему.
Всё и так отлично
Всё очень удобно. Особенно круто, что есть система бонусов и можно выводить остатки денег. Очень много качественных бесплатных файлов.
Отзыв о системе "Студизба"
Отличная платформа для распространения работ, востребованных студентами. Хорошо налаженная и качественная работа сайта, огромная база заданий и аудитория.
Отличный помощник
Отличный сайт с кучей полезных файлов, позволяющий найти много методичек / учебников / отзывов о вузах и преподователях.
Отлично помогает студентам в любой момент для решения трудных и незамедлительных задач
Хотелось бы больше конкретной информации о преподавателях. А так в принципе хороший сайт, всегда им пользуюсь и ни разу не было желания прекратить. Хороший сайт для помощи студентам, удобный и приятный интерфейс. Из недостатков можно выделить только отсутствия небольшого количества файлов.
Спасибо за шикарный сайт
Великолепный сайт на котором студент за не большие деньги может найти помощь с дз, проектами курсовыми, лабораторными, а также узнать отзывы на преподавателей и бесплатно скачать пособия.
Популярные преподаватели
Добавляйте материалы
и зарабатывайте!
Продажи идут автоматически
6818
Авторов
на СтудИзбе
276
Средний доход
с одного платного файла
Обучение Подробнее