Для студентов МГТУ им. Н.Э.Баумана по предмету Технология конструкционных материалов (ТКМ)Механическая обработка заготовок деталей машин - Вал ведущийМеханическая обработка заготовок деталей машин - Вал ведущий
5,0057
2013-10-202024-09-01СтудИзба
ДЗ 3: Механическая обработка заготовок деталей машин - Вал ведущий вариант 2
-51%
Описание
Содержание
- 1. Задание .............................................................................................................................3
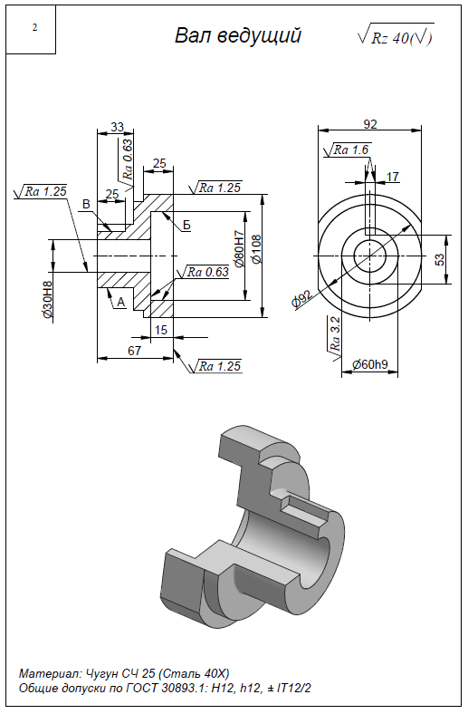
- 2. Чертеж детали ..................................................................................................................4
- 2.1. Выбор типа производства и вида заготовки ........................................................5
- 3. Анализ и отработка конструкции детали на технологичность ...................................6
- 4. Чертеж детали после отработки на технологичность ..................................................7
- 5. Технология обработки поверхностей А, Б, В ...............................................................8
- 5.1. Обработка поверхности А .....................................................................................8
- 5.2. Обработка поверхности Б ......................................................................................9
- 5.3. Обработка поверхности В ....................................................................................11
- 6. Структурная схема обработки поверхности А ............................................................12
Чертежи
- Исходная деталь
- Обработка заданных поверхностей

Характеристики домашнего задания
Учебное заведение
Номер задания
Вариант
Просмотров
1910
Качество
Идеальное компьютерное
Размер
1,83 Mb
Список файлов
Механическая обработка заготовок деталей машин - Вал ведущий
Механическая обработка заготовок деталей машин - Вал ведущий - 1.doc
Механическая обработка заготовок деталей машин - Вал ведущий - 2.doc
Чертежи.dwg
Чертежи.frw

Вам все понравилось? Получите кэшбэк - 40 рублей на Ваш счёт при покупке. Поставьте оценку и напишите положительный комментарий к купленному файлу. После Вы получите деньги на ваш счет.