Для студентов МГТУ им. Н.Э.Баумана по предмету Технология конструкционных материалов (ТКМ)Проектирование и изготовление технологичной конструкции детали - Звездочка двухряднаяПроектирование и изготовление технологичной конструкции детали - Звездочка двухрядная
5,0052
2024-12-232025-09-12СтудИзба
Курсовая работа: Проектирование и изготовление технологичной конструкции детали - Звездочка двухрядная вариант 20
Описание
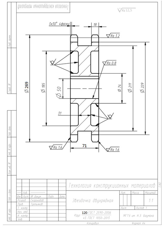
Готовое дз по ТКМ, 20 вариант, выполнены все пункты от проектирования поковки до создания сварной заготовки. ![]()

Файлы условия, демо
Характеристики курсовой работы
Учебное заведение
Вариант
Программы
Теги
Просмотров
81
Качество
Идеальное компьютерное
Размер
1,68 Mb
Список файлов
Домашняя работа №2.docx
МГТУ им. Н.Э.Баумана
nikitosikskoroxodov


















