💯Технология изоляционных и отделочных материалов
Описание
Гибкое теплоизоляционное прямоугольной формы, длина которого значительно больше ширины и толщины - это ...
тепловая изоляция
минеральная вата
покрытие
мат
Если на теплоизоляционном материале стоит отметка Г1, то он ...
слабогорюч
умеренно горюч
горюч
опасногорюч
Теплоизоляционные материалы по виду исходного сырья подразделяют на ...
неорганические, органические
волокнистые, зернистые, ячеистые
штучные, рулонные, рыхлые
особо низкой плотности, низкой плотности, средней плотности, плотные
Теплоизоляционные материалы по форме и внешнему виду подразделяют на ...
неорганические, органические
волокнистые, зернистые, ячеистые
штучные, рулонные, рыхлые
особо низкой плотности, низкой плотности, средней плотности, плотные
К теплоизоляционным материалам низкой плотности относят материалы марки ...
15,25,35,50,75
100,125,150,175
200, 225, 250, 300, 350
400, 450, 500, 600
К теплоизоляционным материалам средней плотности относят материалы марки ...
15,25,35,50,75
100,125,150,175
200, 225, 250, 300, 350
400, 450, 500, 600
Если для плавления минеральной шихты используют вагранку типа СМ-5232М, то площадь зоны плавления составит
5,232 мÙ2
1,643 мÙ2
4,345 мÙ2
1,226 мÙ2
Если для плавления минеральной шихты используют вагранку типа СМ-50, то расстояние от пода до осей фурм первого ряда составит ...
100 мм
500 мм
400 мм
200 мм
Если на теплоизоляционном материале стоит отметка Г2, то он ...
слабогорюч
умеренно горюч
горюч
опасногорюч
Если для плавления минеральной шихты используют вагранку типа СМ-5266, то средняя производительность составит ...
1,5-1,6т/ч
1,2-1,Зт/ч
2,5-2,6т/ч
5,2-5,Зт/ч
К теплоизоляционным материалам особо низкой плотности относят материалы марки ...
15,25,35,50,75
100,125,150,175
200, 225, 250, 300, 350
400, 450, 500, 600
К плотным теплоизоляционным материалам относят материалы марки ...
15,25,35,50,75
100,125,150,175
200, 225, 250, 300, 350
400, 450, 500, 600
Теплоизоляционные материалы по плотности подразделяют на ...
неорганические, органические
волокнистые, зернистые, ячеистые
штучные, рулонные, рыхлые
особо низкой плотности, низкой плотности, средней плотности, плотные
Для перлитофосфогелевых изделий значение температуростойкости колеблется в пределах ...
1100°С
200 °С
850 °С
600 °С
Если для плавления минеральной шихты используют вагранку типа СМ-5232А, то внутренний диаметр шахты в зоне фурм составит ...
1000 мм
1250 мм
400 мм
100 мм
Если на теплоизоляционном материале стоит отметка Г4, то он ...
слабогорюч
умеренно горюч
горюч
опасногорюч
Функциональный или декоративный материал, наносимый покраской, распылением - это ...
тепловая изоляция
минеральная вата
мат
покрытие
Теплоизоляционные материалы по структуре подразделяют на ...
неорганические, органические
волокнистые, зернистые, ячеистые
штучные, рулонные, рыхлые
особо низкой плотности, низкой плотности, средней плотности, плотные
Теплоизоляционный материал, имеющий рыхлую структуру, изготовленный из расплава горных пород, шлаков - ...
тепловая изоляция
минеральная вата
покрытие
мат
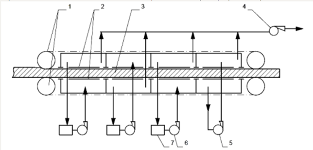
На рисунке ниже приведена принципиальная схема конвейерной камеры фирмы «Грюндцвейг и Гартман», где цифрой «6» обозначен(ы) ...
сетчатые транспортеры
направляющие столы
циркуляционный дымосос
циркуляционный дымосос зоны охлаждения
Зависимость между молекулярной массой и теплопроводностью выражают формулой ...
а
б
в
г
На рисунке ниже приведена принципиальная схема конвейерной камеры фирмы «Грюндцвейг и Гартман», где цифрой «5» обозначен(ы) ...
сетчатые транспортеры
направляющие столы
циркуляционный дымосос
циркуляционный дымосос зоны охлаждения
Для определения теплопроводности фасонных изделий и теплоизоляционных конструкций используют формулу ...
а
б
в
г
Для определения теплопроводности плоских образцов используют формулу ...
а
б
в
г
В блок-схеме производства минераловатных изделий отсутствует этап ...
приготовления связующего
стабилизации структуры ковра
форматирования ковра
упаковки изделий
На рисунке ниже приведена принципиальная схема конвейерной камеры фирмы «Грюндцвейг и Гартман», где цифрой «1» обозначен(ы) ...
сетчатые транспортеры
направляющие столы
циркуляционный дымосос
циркуляционный дымосос зоны охлаждения
На рисунке ниже приведена принципиальная схема конвейерной камеры фирмы «Грюндцвейг и Гартман», где цифрой «2» обозначен(ы) ...
сетчатые транспортеры
направляющие столы
циркуляционный дымосос
циркуляционный дымосос зоны охлаждения
В блок-схеме производства минераловатных изделий отсутствует этап ...
приготовления связующего
стабилизации структуры ковра
форматирования ковра
упаковки изделий
В блок-схеме производства минераловатных изделий отсутствует этап ...
приготовления связующего
стабилизации структуры ковра
форматирования ковра
упаковки изделий
В блок-схеме производства минераловатных изделий отсутствует этап ...
приготовления связующего
стабилизации структуры ковра
форматирования ковра
упаковки изделий
На фотографии ниже изображен(а) ...
свежая структура пенополистирола
волокнистый материал без связки
искусственно состаренный пенополистирол
волокнистая изоляция на полимерной связке
Для определения количества теплоты, поглощаемого 1 кг материала при нагревании на 1 °С используют формулу ...
а
б
в
г
На фотографии ниже изображен(а) ...
свежая структура пенополистирола
волокнистый материал без связки
искусственно состаренный пенополистирол
волокнистая изоляция на полимерной связке
На фотографии ниже изображен(а) ...
свежая структура пенополистирола
волокнистый материал без связки
искусственно состаренный пенополистирол
волокнистая изоляция на полимерной связке
На фотографии ниже изображен(а) ...
свежая структура пенополистирола
волокнистый материал без связки
искусственно состаренный пенополистирол
волокнистая изоляция на полимерной связке
Если на теплоизоляционном материале стоит отметка ГЗ, то он ...
слабогорюч
умеренно горюч
горюч
опасногорюч
Для вспученного вермикулита значение температуростойкости колеблется в пределах ...
1100°С
200 °С
850 °С
600 °С
Для лигноперлита значение температуростойкости колеблется в пределах ...
1100°С
200 °С
850 °С
600 °С
Для перлитокерамических изделий значение температуростойкости колеблется в пределах ...
1100°С
200 °С
850 °С
600 °С
Для перлитофосфогелевых изделий значение температуростойкости колеблется в пределах ...
1100°С
200 °С
850 °С
600 °СПоказать/скрыть дополнительное описание
Технология изоляционных и отделочных материалов Гибкое теплоизоляционное прямоугольной формы, длина которого значительно больше ширины и толщины - это ... тепловая изоляция минеральная вата покрытие мат Если на теплоизоляционном материале стоит отметка Г1, то он ... слабогорюч умеренно горюч горюч опасногорюч Теплоизоляционные материалы по виду исходного сырья подразделяют на ... неорганические, органические волокнистые, зернистые, ячеистые штучные, рулонные, рыхлые особо низкой плотности, низкой плотности, средней плотности, плотные Теплоизоляционные материалы по форме и внешнему виду подразделяют на ... неорганические, органические волокнистые, зернистые, ячеистые штучные, рулонные, рыхлые особо низкой плотности, низкой плотности, средней плотности, плотные К теплоизоляционным материалам низкой плотности относят материалы марки ...
15,25,35,50,75 100,125,150,175 200, 225, 250, 300, 350 400, 450, 500, 600 К теплоизоляционным материалам средней плотности относят материалы марки ... 15,25,35,50,75 100,125,150,175 200, 225, 250, 300, 350 400, 450, 500, 600 Если для плавления минеральной шихты используют вагранку типа СМ-5232М, то площадь зоны плавления составит 5,232 м2 1,643 м2 4,345 м2 1,226 м2 Если для плавления минеральной шихты используют вагранку типа СМ-50, то расстояние от пода до осей фурм первого ряда составит ... 100 мм 500 мм 400 мм 200 мм Если на теплоизоляционном материале стоит отметка Г2, то он ... слабогорюч умеренно горюч горюч опасногорюч Если для плавления минеральной шихты используют вагранку типа СМ-5266, то средняя производительность составит ...
1,5-1,6т/ч 1,2-1,Зт/ч 2,5-2,6т/ч 5,2-5,Зт/ч К теплоизоляционным материалам особо низкой плотности относят материалы марки ... 15,25,35,50,75 100,125,150,175 200, 225, 250, 300, 350 400, 450, 500, 600 К плотным теплоизоляционным материалам относят материалы марки ... 15,25,35,50,75 100,125,150,175 200, 225, 250, 300, 350 400, 450, 500, 600 Теплоизоляционные материалы по плотности подразделяют на ... неорганические, органические волокнистые, зернистые, ячеистые штучные, рулонные, рыхлые особо низкой плотности, низкой плотности, средней плотности, плотные Для перлитофосфогелевых изделий значение температуростойкости колеблется в пределах ... 1100°С 200 °С 850 °С 600 °С Если для плавления минеральной шихты используют вагранку типа СМ-5232А, то внутренний диаметр шахты в зоне фурм составит ...
1000 мм 1250 мм 400 мм 100 мм Если на теплоизоляционном материале стоит отметка Г4, то он ... слабогорюч умеренно горюч горюч опасногорюч Функциональный или декоративный материал, наносимый покраской, распылением - это ... тепловая изоляция минеральная вата мат покрытие Теплоизоляционные материалы по структуре подразделяют на ... неорганические, органические волокнистые, зернистые, ячеистые штучные, рулонные, рыхлые особо низкой плотности, низкой плотности, средней плотности, плотные Теплоизоляционный материал, имеющий рыхлую структуру, изготовленный из расплава горных пород, шлаков - ... тепловая изоляция минеральная вата покрытие мат На рисунке ниже приведена принципиальная схема конвейерной камеры фирмы «Грюндцвейг и Гартман», где цифрой «6» обозначен(ы) ...
сетчатые транспортеры направляющие столы циркуляционный дымосос циркуляционный дымосос зоны охлаждения Зависимость между молекулярной массой и теплопроводностью выражают формулой ... а б в г На рисунке ниже приведена принципиальная схема конвейерной камеры фирмы «Грюндцвейг и Гартман», где цифрой «5» обозначен(ы) ... сетчатые транспортеры направляющие столы циркуляционный дымосос циркуляционный дымосос зоны охлаждения Для определения теплопроводности фасонных изделий и теплоизоляционных конструкций используют формулу ... а б в г Для определения теплопроводности плоских образцов используют формулу ... а б в г В блок-схеме производства минераловатных изделий отсутствует этап ...
приготовления связующего стабилизации структуры ковра форматирования ковра упаковки изделий На рисунке ниже приведена принципиальная схема конвейерной камеры фирмы «Грюндцвейг и Гартман», где цифрой «1» обозначен(ы) ... сетчатые транспортеры направляющие столы циркуляционный дымосос циркуляционный дымосос зоны охлаждения На рисунке ниже приведена принципиальная схема конвейерной камеры фирмы «Грюндцвейг и Гартман», где цифрой «2» обозначен(ы) ... сетчатые транспортеры направляющие столы циркуляционный дымосос циркуляционный дымосос зоны охлаждения В блок-схеме производства минераловатных изделий отсутствует этап ... приготовления связующего стабилизации структуры ковра форматирования ковра упаковки изделий В блок-схеме производства минераловатных изделий отсутствует этап ...
приготовления связующего стабилизации структуры ковра форматирования ковра упаковки изделий В блок-схеме производства минераловатных изделий отсутствует этап ... приготовления связующего стабилизации структуры ковра форматирования ковра упаковки изделий На фотографии ниже изображен(а) ... свежая структура пенополистирола волокнистый материал без связки искусственно состаренный пенополистирол волокнистая изоляция на полимерной связке Для определения количества теплоты, поглощаемого 1 кг материала при нагревании на 1 °С используют формулу ... а б в г На фотографии ниже изображен(а) ... свежая структура пенополистирола волокнистый материал без связки искусственно состаренный пенополистирол волокнистая изоляция на полимерной связке На фотографии ниже изображен(а) ...
свежая структура пенополистирола волокнистый материал без связки искусственно состаренный пенополистирол волокнистая изоляция на полимерной связке На фотографии ниже изображен(а) ... свежая структура пенополистирола волокнистый материал без связки искусственно состаренный пенополистирол волокнистая изоляция на полимерной связке Если на теплоизоляционном материале стоит отметка ГЗ, то он ... слабогорюч умеренно горюч горюч опасногорюч Для вспученного вермикулита значение температуростойкости колеблется в пределах ... 1100°С 200 °С 850 °С 600 °С Для лигноперлита значение температуростойкости колеблется в пределах ... 1100°С 200 °С 850 °С 600 °С Для перлитокерамических изделий значение температуростойкости колеблется в пределах ...
1100°С 200 °С 850 °С 600 °С Для перлитофосфогелевых изделий значение температуростойкости колеблется в пределах ... 1100°С 200 °С 850 °С 600 °С.
Файлы условия, демо
Список вопросов
















Характеристики ответов (шпаргалок) к экзамену

МФПУ «Синергия»
Мediator


















