Для студентов МГТУ им. Н.Э.Баумана по предмету Технология изготовления штамповой оснасткиДЗ Ставицкий (пример, по которому можно сделать любой вариант)ДЗ Ставицкий (пример, по которому можно сделать любой вариант)
5,00513
2021-01-212021-01-23СтудИзба
ДЗ: ДЗ Ставицкий (пример, по которому можно сделать любой вариант)
Бестселлер
Описание
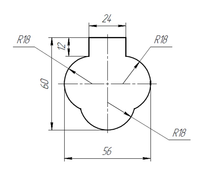
Вариант сделан как на фото. Но приложен чертёж в компасе, измените фигуру и поменяйте фото в ДЗ) и ДЗ готово. ![]()

Характеристики домашнего задания
Учебное заведение
Просмотров
130
Размер
765,1 Kb
Список файлов
0 Сборка.cdw
0 Сборка.cdw.bak
ДЗ1.docx
деталька.cdw
деталька.cdw.bak
Комментарии
Нет комментариев
Стань первым, кто что-нибудь напишет!
МГТУ им. Н.Э.Баумана


















