Для студентов МГТУ им. Н.Э.Баумана по предмету Технология инструментального производства (ТИП)Определение размеров заготовки для сварки рабочей и хвостовой частей инструмента стержневого типа методом контактной электросваркиОпределение размеров заготовки для сварки рабочей и хвостовой частей инструмента стержневого типа методом контактной электросварки
4,86589
2025-07-292025-07-29СтудИзба
Определение размеров заготовки для сварки рабочей и хвостовой частей инструмента стержневого типа методом контактной электросварки
Описание
Вариант №11
Дз сдано и защищено
Задание:
Выполнить рабочий эскиз сверла с размерами, соответствующими заданному варианту
Определить линейные размеры заготовок рабочей и хвостовой части сварного спирального сверла.
Определить диаметральные размеры заготовок рабочей и хвостовой части сверла
Нарисовать в масштабе эскиз заготовок свариваемых частей сверла
Выполнить операционный эскиз стыковой сварки.
![]()
Дз сдано и защищено
Задание:
Выполнить рабочий эскиз сверла с размерами, соответствующими заданному варианту
Определить линейные размеры заготовок рабочей и хвостовой части сварного спирального сверла.
Определить диаметральные размеры заготовок рабочей и хвостовой части сверла
Нарисовать в масштабе эскиз заготовок свариваемых частей сверла
Выполнить операционный эскиз стыковой сварки.
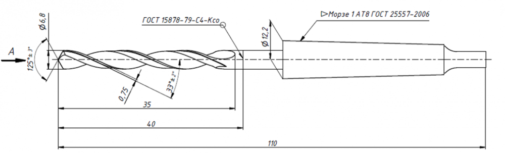
Рабочий эскиз сверла в соответствии с вариантом №11
(ГОСТ 20696 2302-1034)

Характеристики домашнего задания
Учебное заведение
Номер задания
Вариант
Теги
Просмотров
2
Размер
3,11 Mb
Преподаватели
Список файлов
Тёмы
OldVersions
Сверло 6 мм.0002.idw
Сверло 6 мм
OldVersions
Сверло 6 мм цил хвостовик.0001.ipt
Sverlo 6 mm.CATPart
Sverlo 6 mm.ipt
Sverlo 6 mm.stp
lockfile.lck
Сверло 6 мм цил хвостовик.ipt
Сверло 6 мм.ipt
Mathcad Document.mcd
Сверло 6 мм.idw
Сверло 6 мм.pdf
lockfile.lck
ДЗ1.docx
Рис. 1.png
Рис. 2.png
Рис. 3.png
Рис. 4.png
Чертеж1.idw
Комментарии
Нет комментариев
Стань первым, кто что-нибудь напишет!
МГТУ им. Н.Э.Баумана
vk_154348585


















