Для студентов МГТУ им. Н.Э.Баумана по предмету Технология и оборудование заготовительного производстваПроектирование заготовкиПроектирование заготовки
5,0053
2024-09-072024-09-07СтудИзба
ДЗ 1: Проектирование заготовки вариант ТМ004-3
Бестселлер
Описание
В архиве файл ворд (со всеми пунктами по заданию, оформление соответствует требованиям преподавателя), а также сопутствующие чертежи (детали, заготовки, промежуточные рисунки) в форматах pdf и компас(v21).
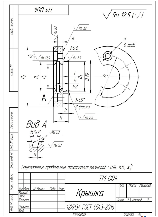
![]()

Файлы условия, демо
Характеристики домашнего задания
Учебное заведение
Номер задания
Вариант
Программы
Теги
Просмотров
48
Размер
2,18 Mb
Список файлов
заготовки
~$_заготовки.docx
ДЗ_заготовки.docx
ДЗ_заготовки.m3d
Заготовки ДЗ.pdf
Нумерация поверхностей детали.jpg
ТМ004.m3d
ТМ004.m3d.bak
Фрагмент.frw
дз_заготовки_.cdw
дз_заготовки_.cdw.bak
дз_заготовки_.pdf
дз_заготовки_сводная таблица.xlsx
дз_заготовки_эскизы.cdw
дз_заготовки_эскизы.cdw.bak
дз_заготовки_эскизы.pdf
поковка.cdw
поковка.jpg
поковка.m3d
ркчоаепп.frw
чертеж поковки исправленный.pdf
чертеж поковки.cdw
чертеж поковки.cdw.bak
чертеж поковки.pdf
by fenixx
МГТУ им. Н.Э.Баумана
fenixx



















