Для студентов МГТУ им. Н.Э.Баумана по предмету Технология и автоматизация ковки (ТАК) (МТ-6)Разработка технологического процесса ковки деталиРазработка технологического процесса ковки детали
5,0052
2020-12-032020-12-03СтудИзба
ДЗ: Разработка технологического процесса ковки детали вариант 1
Описание
Домашнее задание по курсу «Технология и автоматизация ковки»
Вариант 1

Содержание
- Задание……………………………………………………………………………………..........................................................................…..3
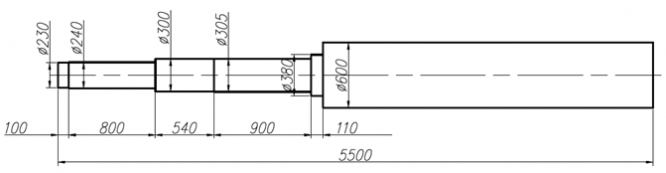
- Составление чертежа поковки…………………………………………………..........................................................….………..3
- Определение массы и размеров заготовки………………………………………..............................................…..….…..6
- Назначение укова и выбор кузнечного оборудования…………………………..…......................................….…...9
- Назначение режима нагрева слитка и температурного интервала ковки……….........................……......11
- Выбор технологических операций, их последовательности, инструмента……….................................….12
- Уточнение баланса металла, коэффициентов точности заготовки и коэффициента расхода металла…………………………………………………………………………….........................................................................................18
- Литература…………………………..……………………………………………..…….........................................................................…..19

- Чертежи выполнен в AutoCad
- Расчеты выполнены в MathCad
Характеристики домашнего задания
Учебное заведение
Семестр
Вариант
Программы
Просмотров
41
Качество
Идеальное компьютерное
Размер
1,86 Mb
Список файлов
1 Вариант
1.docx
1.dwg
1.xmcd
~$1.docx

Вам все понравилось? Получите кэшбэк - 40 рублей на Ваш счёт при покупке. Поставьте оценку и напишите положительный комментарий к купленному файлу. После Вы получите деньги на ваш счет.