Для студентов МГТУ им. Н.Э.Баумана по предмету Технология горячей объёмной штамповки (ТГОШ) (МТ-6)Разработка технологического процесса и штамповой оснастки детали типа "Ступенчатый вал"Разработка технологического процесса и штамповой оснастки детали типа "Ступенчатый вал"
5,0052
2021-10-112021-10-11СтудИзба
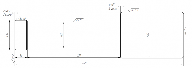
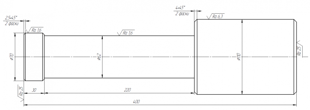
ДЗ: Разработка технологического процесса и штамповой оснастки детали типа "Ступенчатый вал" вариант 24
Описание
- Документ Word со всеми расчетами и пояснениями ко всем пунктам методички
- Чертеж штамповой оснастки в Компасе (.cdw файл)
- Чертеж вала на всех этапах разработки (горячая поковка, холодная поковка, эпюры и т.п) (.cdw файл)
Характеристики домашнего задания
Учебное заведение
Семестр
Вариант
Просмотров
59
Размер
1,29 Mb
Список файлов
ГОШ чертежи.cdw
ДЗ ТГОШ Вариант 24.docx
Штамп.cdw
МГТУ им. Н.Э.Баумана
catspinner



















