Для студентов по предмету Строительная механикаРасчет статически неопределимых рам по методу сил.Расчет статически неопределимых рам по методу сил.
5,00543
2023-09-212023-09-21СтудИзба
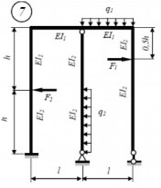
Задача 5: Расчет статически неопределимых рам по методу сил. вариант 987
Описание

Файлы условия, демо
Характеристики решённой задачи
Предмет
Номер задания
Вариант
Просмотров
2
Качество
Идеальное компьютерное
Размер
1,75 Mb
Список файлов
ЗД5 В 987.docx
Комментарии
Нет комментариев
Стань первым, кто что-нибудь напишет!
buldigerov























