Главная » Учебные материалы » Сопротивление материалов » Решения задач » ТГАСУ » Номер 5 » Вариант 678318 » Задача № 5. Расчет консольной балки. Задание 2014 года. Вариант 678318

Задача № 5. Расчет консольной балки. Задание 2014 года. Вариант 678318

Задача 5: Задача № 5. Расчет консольной балки. Задание 2014 года. Вариант 678318 вариант 678318
Новинка

Описание

Задача № 5

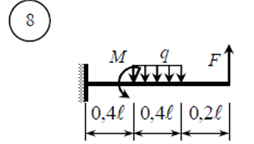
Для балки-консоли требуется:

-определить опорные реакции;

-записать выражения внутренних усилий на каждом участке в аналитическом виде;

-построить эпюры внутренних усилий Qy и M z;

-подобрать диаметр поперечного сечения деревянной балки при условии, что расчетное сопротивление R=8 МПа.

Числовые данные для расчета:

Вариант абвгде=678318; l=1,1 м; F=8 кН; M=15кНм; q=7 кН/м.








Решение выполнено в 2025ом году. Текстовая часть выполнена в Micrjsoft Word, но сами эпюры и схемы выполнялись вручную/сканировались и вставлялись в документ.
Если Вам попалась аналогичная задача (задача 5) и Вы не хотите скачивать (платно) вариант 678318, как образец, так как уверены что не разберетесь, можете поступить следующим образом:
1. Напишите свой вариант в личных сообщениях 👉 Написать эксперту
2.Дождитесь от меня ответа "Незанят. В работу принял!"
3. Я выкладываю готовую задачу в продажу: вордовский документ с расчетами (именно вашего варианта), вариант 678318 как образец и Ваши эпюры в следующем формате 👇


4. Вам останется только скачать файлы и оформить эпюры по аналогии как в варианте 678318.
Что это дает Вам? Вы не ждете более трое суток решения задачи и не платите за помощь от 1000 руб. Но, повторюсь, необходимо будет оформить схемы и эпюры либо от руки, либо в графическом редакторе. 👇


Задачи выполняются строго согласно образца в методических указаний.
Показать/скрыть дополнительное описание

Томский государственный архитектурно-строительный университет. Задача № 5. Расчет консольной балки. Задание 2014 года. Вариант 678318.

Характеристики решённой задачи

Учебное заведение
Номер задания
Вариант
Просмотров
1
Качество
Другое
Размер
1 Mb

Список файлов

СоМ2014. Задача 5. Балка-консоль. Вариант 678318.docx
Картинка-подпись
Доброго времени суток. Помогаю студентам начиная с 2002го года. Основное направление - технические дисциплины. Статус: “Зимняя сессия 2025-2026 почти позади. Готов к новым заказам”

Комментарии

Нет комментариев
Стань первым, кто что-нибудь напишет!
Поделитесь ссылкой:
Цена: 240 руб.
Расширенная гарантия +3 недели гарантии, +10% цены
Рейтинг автора
5 из 5
Поделитесь ссылкой:
Сопутствующие материалы

Подобрали для Вас услуги

-30%
Вы можете использовать решённую задачу для примера, а также можете ссылаться на неё в своей работе. Авторство принадлежит автору работы, поэтому запрещено копировать текст из этой работы для любой публикации, в том числе в свою задачу в учебном заведении, без правильно оформленной ссылки. Читайте как правильно публиковать ссылки в своей работе.
Свежие статьи
Популярно сейчас
А знаете ли Вы, что из года в год задания практически не меняются? Математика, преподаваемая в учебных заведениях, никак не менялась минимум 30 лет. Найдите нужный учебный материал на СтудИзбе!
Ответы на популярные вопросы
Да! Наши авторы собирают и выкладывают те работы, которые сдаются в Вашем учебном заведении ежегодно и уже проверены преподавателями.
Да! У нас любой человек может выложить любую учебную работу и зарабатывать на её продажах! Но каждый учебный материал публикуется только после тщательной проверки администрацией.
Вернём деньги! А если быть более точными, то автору даётся немного времени на исправление, а если не исправит или выйдет время, то вернём деньги в полном объёме!
Да! На равне с готовыми студенческими работами у нас продаются услуги. Цены на услуги видны сразу, то есть Вам нужно только указать параметры и сразу можно оплачивать.
Отзывы студентов
Ставлю 10/10
Все нравится, очень удобный сайт, помогает в учебе. Кроме этого, можно заработать самому, выставляя готовые учебные материалы на продажу здесь. Рейтинги и отзывы на преподавателей очень помогают сориентироваться в начале нового семестра. Спасибо за такую функцию. Ставлю максимальную оценку.
Лучшая платформа для успешной сдачи сессии
Познакомился со СтудИзбой благодаря своему другу, очень нравится интерфейс, количество доступных файлов, цена, в общем, все прекрасно. Даже сам продаю какие-то свои работы.
Студизба ван лав ❤
Очень офигенный сайт для студентов. Много полезных учебных материалов. Пользуюсь студизбой с октября 2021 года. Серьёзных нареканий нет. Хотелось бы, что бы ввели подписочную модель и сделали материалы дешевле 300 рублей в рамках подписки бесплатными.
Отличный сайт
Лично меня всё устраивает - и покупка, и продажа; и цены, и возможность предпросмотра куска файла, и обилие бесплатных файлов (в подборках по авторам, читай, ВУЗам и факультетам). Есть определённые баги, но всё решаемо, да и администраторы реагируют в течение суток.
Маленький отзыв о большом помощнике!
Студизба спасает в те моменты, когда сроки горят, а работ накопилось достаточно. Довольно удобный сайт с простой навигацией и огромным количеством материалов.
Студ. Изба как крупнейший сборник работ для студентов
Тут дофига бывает всего полезного. Печально, что бывают предметы по которым даже одного бесплатного решения нет, но это скорее вопрос к студентам. В остальном всё здорово.
Спасательный островок
Если уже не успеваешь разобраться или застрял на каком-то задание поможет тебе быстро и недорого решить твою проблему.
Всё и так отлично
Всё очень удобно. Особенно круто, что есть система бонусов и можно выводить остатки денег. Очень много качественных бесплатных файлов.
Отзыв о системе "Студизба"
Отличная платформа для распространения работ, востребованных студентами. Хорошо налаженная и качественная работа сайта, огромная база заданий и аудитория.
Отличный помощник
Отличный сайт с кучей полезных файлов, позволяющий найти много методичек / учебников / отзывов о вузах и преподователях.
Отлично помогает студентам в любой момент для решения трудных и незамедлительных задач
Хотелось бы больше конкретной информации о преподавателях. А так в принципе хороший сайт, всегда им пользуюсь и ни разу не было желания прекратить. Хороший сайт для помощи студентам, удобный и приятный интерфейс. Из недостатков можно выделить только отсутствия небольшого количества файлов.
Спасибо за шикарный сайт
Великолепный сайт на котором студент за не большие деньги может найти помощь с дз, проектами курсовыми, лабораторными, а также узнать отзывы на преподавателей и бесплатно скачать пособия.
Популярные преподаватели
Добавляйте материалы
и зарабатывайте!
Продажи идут автоматически
7134
Авторов
на СтудИзбе
254
Средний доход
с одного платного файла
Обучение Подробнее