Задача 5.1 вариант 12
Описание
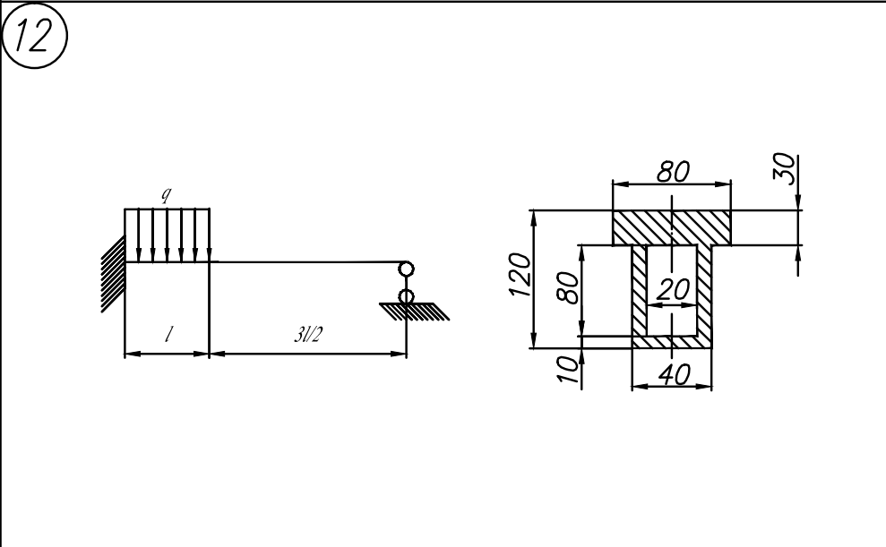
Правильно решенная задача 12 вариант с проверкой и расчетом нагрузки. Проверка путем выбора двух разных основных систем. Приняла Полякова

Характеристики решённой задачи
Предмет
Учебное заведение
Семестр
Номер задания
Вариант
Теги
Просмотров
11
Качество
Фото рукописных листов
Размер
671,73 Kb
Преподаватели
Список файлов
5262715499462727812.jpg
5262715499462727679.jpg
5262715499462727678.jpg
Комментарии
Нет комментариев
Стань первым, кто что-нибудь напишет!
МГТУ им. Н.Э.Баумана


















