Задача 2.1 вариант 6
Описание
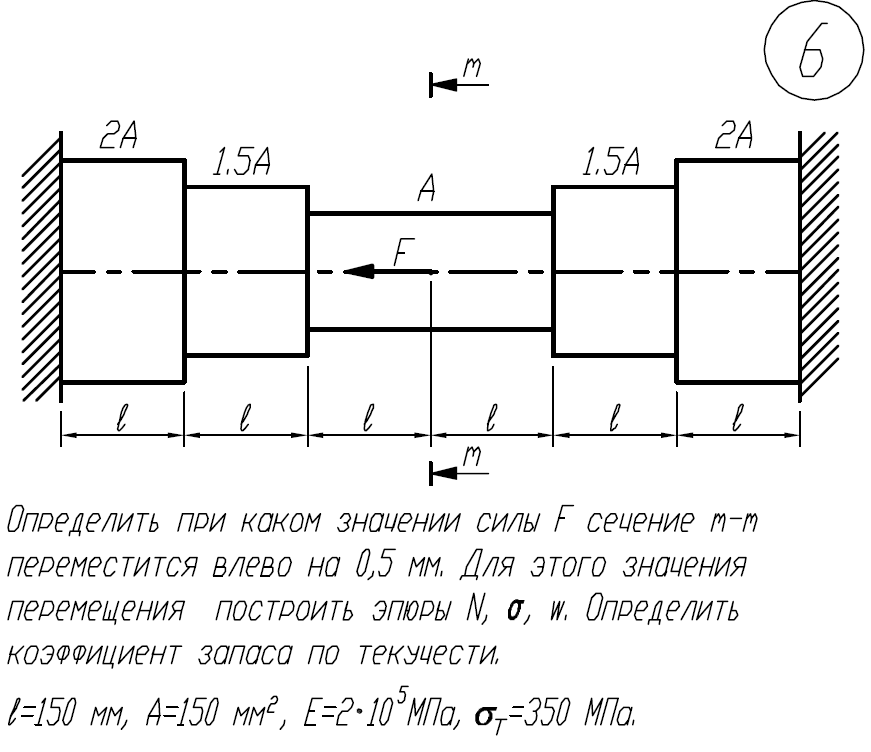
Задача №2.1
Вариант №6Зачтено у Зинченко
Условие

Файлы условия, демо
Характеристики решённой задачи
Предмет
Учебное заведение
Семестр
Номер задания
Вариант
Теги
Просмотров
4
Размер
1,72 Mb
Преподаватели
Список файлов
ДЗ-2.1 Вариант 6.pdf
Комментарии
Нет комментариев
Стань первым, кто что-нибудь напишет!
МГТУ им. Н.Э.Баумана
Vasilevsk3005


















