Для студентов МГТУ им. Н.Э.Баумана по предмету Сопротивление материаловСтатически определимые балкиСтатически определимые балки
5,00512
2022-12-012025-02-01СтудИзба
ДЗ 3: Статически определимые балки вариант 6
-40%
Описание
Нужна только одна задача из всех? - Нажимай на ссылку
Задача 4.1 решена тремя способами:
Образец ![]()
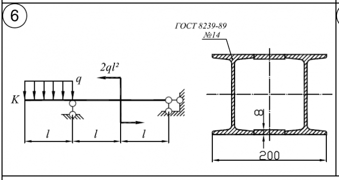
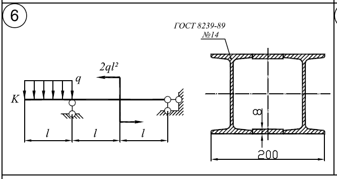
Показать/скрыть дополнительное описаниеДля заданной балки требуется: 1)Построить эпюры Q/y и M/x. 2)Определить величину нагрузки при σ/Тр=σ/Тсж=240МПа; n/Т=1,5; l=1м 3)Определить угловое перемещение сечения К E=2*105/МПа 4)Нарисовать форму оси балки Для заданной балки требуется: 1)Построить эпюру моментов 2)Вычислить наибольшее нормальное напряжение в опасном сечении и определить коэффициент запаса по текучести (σ/Т=240МПа) 3)Построить эпюру нормальных напряжений в опасном сечении, изобразив сечение в масштабе 1:1 .
Файлы условия, демо
Характеристики домашнего задания
Предмет
Учебное заведение
Семестр
Номер задания
Вариант
Программы
Теги
Просмотров
190
Качество
Идеальное компьютерное
Размер
596,2 Kb
Список файлов
Вариант 6 - Задача 4.1.pdf
Вариант 6 - Задача 4.2.pdf
Вариант 6 - Статически определимые балки.pdf

Вам все понравилось? Получите кэшбэк - 40 рублей на Ваш счёт при покупке. Поставьте оценку и напишите положительный комментарий к купленному файлу. После Вы получите деньги на ваш счет.