Для студентов МГТУ им. Н.Э.Баумана по предмету Сопротивление материаловЗадача 2.1Задача 2.1
4,96529744
2025-09-042025-09-05СтудИзба
Задача 2.1 вариант 21
-40%
Описание
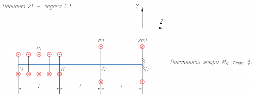
- Задача решена в двух вариантах расположения консольной опоры - слева и справа



Построить эпюры М/к, τ/max, φ..
Характеристики решённой задачи
Предмет
Учебное заведение
Семестр
Номер задания
Вариант
Программы
Теги
Просмотров
6
Качество
Идеальное компьютерное
Размер
224,86 Kb
Преподаватели
Список файлов
Вариант 21 - Задача 2.1 - 1.pdf
Вариант 21 - Задача 2.1 - 2.pdf

Вам все понравилось? Получите кэшбэк - 40 рублей на Ваш счёт при покупке. Поставьте оценку и напишите положительный комментарий к купленному файлу. После Вы получите деньги на ваш счет.