Для студентов МГТУ им. Н.Э.Баумана по предмету Сопротивление материаловЗадача 2.2Задача 2.2
4,96530212
2024-11-052025-10-20СтудИзба
Задача 2.2 вариант 1
-50%
Описание


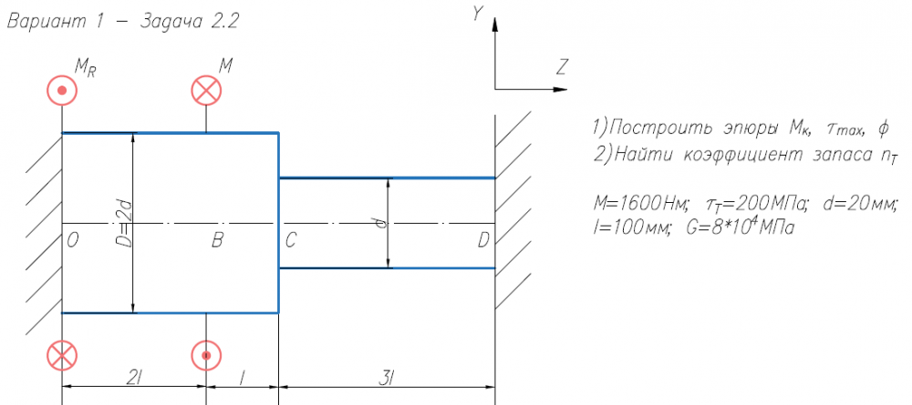
1)Построить эпюры М/к, τ/max, φ 2)Найти коэффициент запаса n/Т М=1600Нм; τ/Т=200МПа; d=20мм; l=100мм; G=8*104/МПа.
Характеристики решённой задачи
Предмет
Учебное заведение
Семестр
Номер задания
Вариант
Программы
Теги
Просмотров
49
Качество
Идеальное компьютерное
Размер
141,65 Kb
Преподаватели
Список файлов
Вариант 1 - Задача 2.2.pdf

Вам все понравилось? Получите кэшбэк - 40 рублей на Ваш счёт при покупке. Поставьте оценку и напишите положительный комментарий к купленному файлу. После Вы получите деньги на ваш счет.