Для студентов МГТУ им. Н.Э.Баумана по предмету Сопротивление материаловЗадача 1.2Задача 1.2
4,96529247
2025-08-272025-08-27СтудИзба
Задача 1.2 вариант 15
-40%
Описание


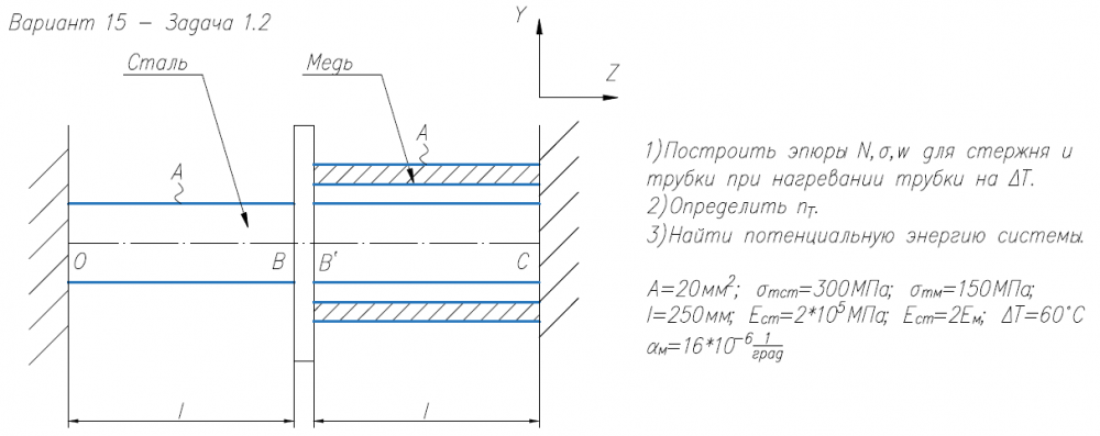
1)Построить эпюры N,σ,w для стержня и трубки при нагревании трубки на ΔT. 2)Определить n/Т. 3)Найти потенциальную энергию системы. A=20мм2/; σ/тст=300МПа; σ/тм=150МПа; l=250мм; E/ст=2*105/МПа; E/ст=2E/м; ΔT=60°С α/м=16*10-6/1/град.
Характеристики решённой задачи
Предмет
Учебное заведение
Семестр
Номер задания
Вариант
Программы
Теги
Просмотров
3
Качество
Идеальное компьютерное
Размер
92,93 Kb
Преподаватели
Список файлов
Вариант 15 - Задача 1.2.pdf

Вам все понравилось? Получите кэшбэк - 40 рублей на Ваш счёт при покупке. Поставьте оценку и напишите положительный комментарий к купленному файлу. После Вы получите деньги на ваш счет.