Для студентов МГТУ им. Н.Э.Баумана по предмету Сопротивление материаловЗадача 2.2Задача 2.2
4,96530212
2024-11-052025-10-20СтудИзба
Задача 2.2 вариант 18
-50%
Описание


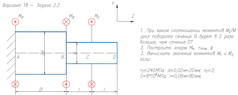
1. При каком соотношении моментов M/1/M угол поворота сечения В будет в 2 раза больше, чем сечения D? 2. Построить эпюры М/к, τ/max, φ 3. Вычислить значения моментов M/1 и M/2 если: τ/Т=240МПа; d=0,02м=20мм; n/Т=2; G=8*104/МПа; l=0,08м=80мм.
Характеристики решённой задачи
Предмет
Учебное заведение
Семестр
Номер задания
Вариант
Программы
Теги
Просмотров
9
Качество
Идеальное компьютерное
Размер
224,75 Kb
Преподаватели
Список файлов
Вариант 18 - Задача 2.2.pdf

Вам все понравилось? Получите кэшбэк - 40 рублей на Ваш счёт при покупке. Поставьте оценку и напишите положительный комментарий к купленному файлу. После Вы получите деньги на ваш счет.