Для студентов МГТУ им. Н.Э.Баумана по предмету Сопротивление материаловЗадача 2.1Задача 2.1
4,96530085
2024-09-282024-11-23СтудИзба
Задача 2.1 вариант 27
-40%
Описание


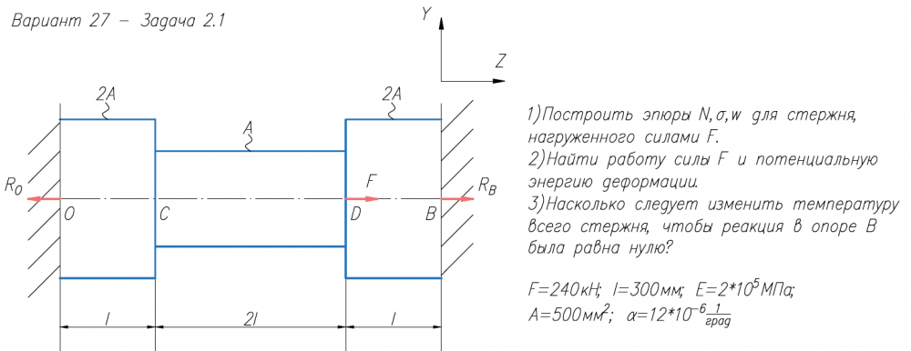
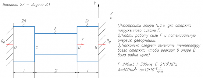
1)Построить эпюры N,σ,w для стержня, нагруженного силами F. 2)Найти работу силы F и потенциальную энергию деформации. 3)Насколько следует изменить температуру всего стержня, чтобы реакция в опоре В была равна нулю? F=240кН; l=300мм; E=2*105/МПа; A=500мм2/; α=12*10-6/1/град .
Характеристики решённой задачи
Предмет
Учебное заведение
Семестр
Номер задания
Вариант
Программы
Теги
Просмотров
12
Качество
Идеальное компьютерное
Размер
84,6 Kb
Список файлов
Вариант 27 - Задача 2.1.pdf

Вам все понравилось? Получите кэшбэк - 40 рублей на Ваш счёт при покупке. Поставьте оценку и напишите положительный комментарий к купленному файлу. После Вы получите деньги на ваш счет.