Для студентов МГТУ им. Н.Э.Баумана по предмету Сопротивление материаловЗадача 3Задача 3
4,96529744
2024-06-242024-11-23СтудИзба
Задача 3 вариант 8
-40%
Описание


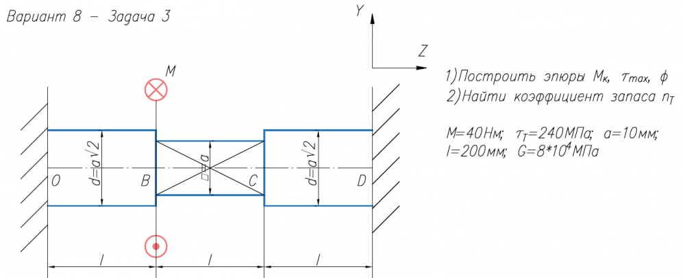
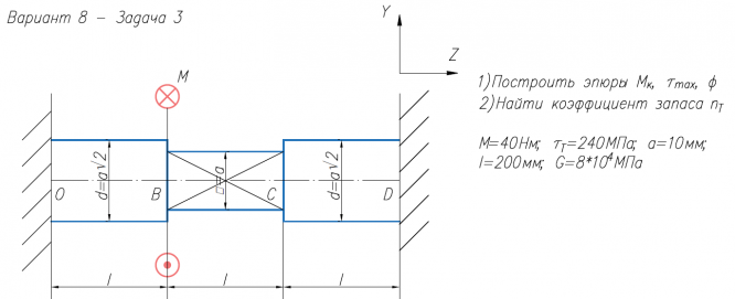
1)Построить эпюры М/к, τ/max, φ 2)Найти коэффициент запаса n/Т М=40Нм; τ/Т=240МПа; a=10мм; l=200мм; G=8*104/МПа.
Характеристики решённой задачи
Предмет
Учебное заведение
Семестр
Номер задания
Вариант
Программы
Теги
Просмотров
20
Качество
Идеальное компьютерное
Размер
221 Kb
Список файлов
Вариант 8 - Задача 3.pdf

Вам все понравилось? Получите кэшбэк - 40 рублей на Ваш счёт при покупке. Поставьте оценку и напишите положительный комментарий к купленному файлу. После Вы получите деньги на ваш счет.