Для студентов МГТУ им. Н.Э.Баумана по предмету Сопротивление материаловЗадача 5.1Задача 5.1
4,97514425
2024-02-252025-02-11СтудИзба
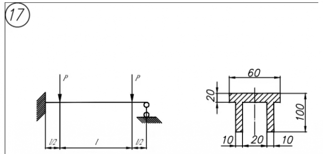
Вариант 17 - Задача 5-1
Задача 5.1 вариант 17
Описание
Характеристики решённой задачи
Предмет
Учебное заведение
Семестр
Номер задания
Вариант
Теги
Просмотров
14
Качество
Фото рукописных листов
Размер
1,39 Mb
Список файлов
Вариант 17 Задача 5.1 900.pdf

Спасибо за покупку! Я буду очень рад, если поставишь справедливую оценку купленному файлу :3 Ищи больше работ в моём профиле, там много нужного тебе!