Для студентов МГТУ им. Н.Э.Баумана по предмету Сопротивление материаловЗадача 5.1Задача 5.1
5,00511
2024-02-222025-02-11СтудИзба
Вариант 13 - ДЗ №1 - "Статически неопределимые задачи изгиба" - Задача 1
Задача 5.1 вариант 13
Описание
Домашнее задание №1, задача 5-1, "Статически неопределимые задачи изгиба", зачтено
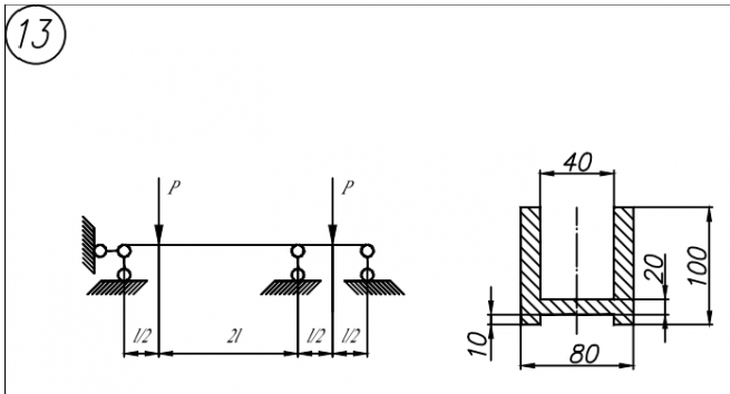
Условие:
Решение:
Показать/скрыть дополнительное описание
Условие:


Типовой расчет по сопротивлению материалов МГТУ 4 семестр домашнее задание.
Характеристики решённой задачи
Предмет
Учебное заведение
Семестр
Номер задания
Вариант
Теги
Просмотров
68
Качество
Фото рукописных листов
Размер
1,39 Mb
Список файлов
Вариант 13 Задача 5.1 806.pdf

Спасибо за покупку! Я буду очень рад, если поставишь справедливую оценку купленному файлу :3 Ищи больше работ в моём профиле, там много нужного тебе!
Комментарии

Отсутствует определение допустимой нагрузки