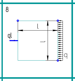
Для студентов МГТУ им. Н.Э.Баумана по предмету Сопротивление материаловЗадача 1.8Задача 1.8
4,96529745
2023-11-142024-09-01СтудИзба
Задача 1.8 вариант 23
-41%
Описание


Характеристики решённой задачи
Предмет
Учебное заведение
Семестр
Номер задания
Вариант
Программы
Теги
Просмотров
4
Качество
Идеальное компьютерное
Размер
70,69 Kb
Список файлов
Вариант 23 - Задача (8).pdf

Вам все понравилось? Получите кэшбэк - 40 рублей на Ваш счёт при покупке. Поставьте оценку и напишите положительный комментарий к купленному файлу. После Вы получите деньги на ваш счет.