Для студентов МГТУ им. Н.Э.Баумана по предмету Сопротивление материаловЗадача 5.1Задача 5.1
5,0051
2023-10-042023-10-04СтудИзба
Задача 5.1 вариант 9
Описание
Качественное оформление в электронном виде!
Задача №1
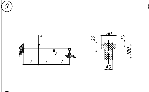
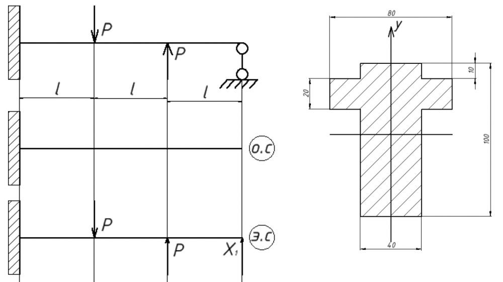
Дано: материал балки упруго – пластичный
σ t = 320 МПа; [n] =1,5; l=1.
Произвести расчет балки при упругих деформациях:
а) раскрыть статическую неопределимость и построить эпюры Qy и Mx;
б) определить допускаемую нагрузку;
в) изобразить примерный вид упругой линии балки.
Задача №1

σ t = 320 МПа; [n] =1,5; l=1.
Произвести расчет балки при упругих деформациях:
а) раскрыть статическую неопределимость и построить эпюры Qy и Mx;
б) определить допускаемую нагрузку;
в) изобразить примерный вид упругой линии балки.

Характеристики решённой задачи
Предмет
Учебное заведение
Семестр
Номер задания
Вариант
Программы
Теги
Просмотров
19
Качество
Идеальное компьютерное
Размер
475,01 Kb
Список файлов
5.1_В9.pdf

Понравился файл? Поставь оценку и напиши отзыв, спасибо!