Для студентов по предмету Сопротивление материаловРасчет вала (Сложное нагружение)Расчет вала (Сложное нагружение)
5,00540
2023-09-192023-09-19СтудИзба
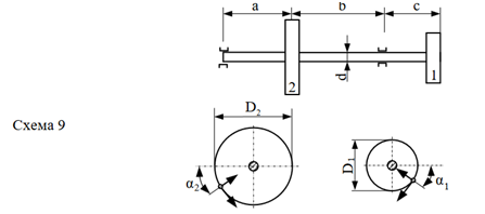
Задача: Расчет вала (Сложное нагружение) вариант 67919
Описание


Файлы условия, демо
Характеристики решённой задачи
Предмет
Вариант
Просмотров
2
Качество
Идеальное компьютерное
Размер
294,88 Kb
Список файлов
Вал 67919.docx