Для студентов по предмету Сопротивление материаловРассчет конструкции на рачтяжение, сжатие, сдвиг.Рассчет конструкции на рачтяжение, сжатие, сдвиг.
5,00540
2023-09-192023-09-19СтудИзба
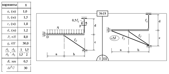
Задача 1: Рассчет конструкции на рачтяжение, сжатие, сдвиг. вариант 19
Описание


Файлы условия, демо
Характеристики решённой задачи
Предмет
Номер задания
Вариант
Просмотров
10
Качество
Идеальное компьютерное
Размер
327,65 Kb
Список файлов
Стержневые 1-19.docx