Для студентов МГТУ им. Н.Э.Баумана по предмету Сопротивление материаловЗадача 4.1Задача 4.1
5,0052
2023-08-112024-09-04СтудИзба
Вариант 6 - Прямой изгиб - Задача 4.1
Задача 4.1 вариант 6
-22%
Описание
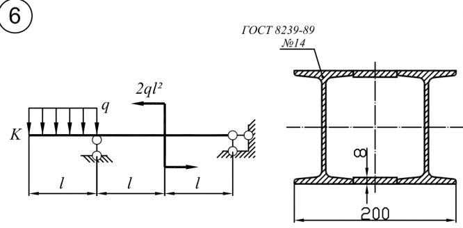
Типовой расчет по сопротивлению материалов №3 "Статически определимые балки", задача № 4.1, зачтено (первые 2 пункта)
Условие:
Решение:
Показать/скрыть дополнительное описание
Условие:

Решение:

Типовой расчет по сопротивлению материалов МГТУ 3 семестр домашнее задание кручение сжатие растяжение.
Характеристики решённой задачи
Предмет
Учебное заведение
Семестр
Номер задания
Вариант
Теги
Просмотров
25
Качество
Фото рукописных листов
Размер
1009,27 Kb
Список файлов
Вариант 6 П Изгиб 22.pdf

Спасибо за покупку! Я буду очень рад, если поставишь справедливую оценку купленному файлу :3 Ищи больше работ в моём профиле, там много нужного тебе!