Для студентов МГТУ им. Н.Э.Баумана по предмету Сопротивление материаловЗадача 4.1Задача 4.1
4,97514428
2023-08-112024-09-04СтудИзба
Вариант 4 - Прямой изгиб - Задача 4.1
Задача 4.1 вариант 4
-22%
Описание
Типовой расчет по сопротивлению материалов №3 "Статически определимые балки", задача № 4.1, зачтено
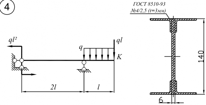
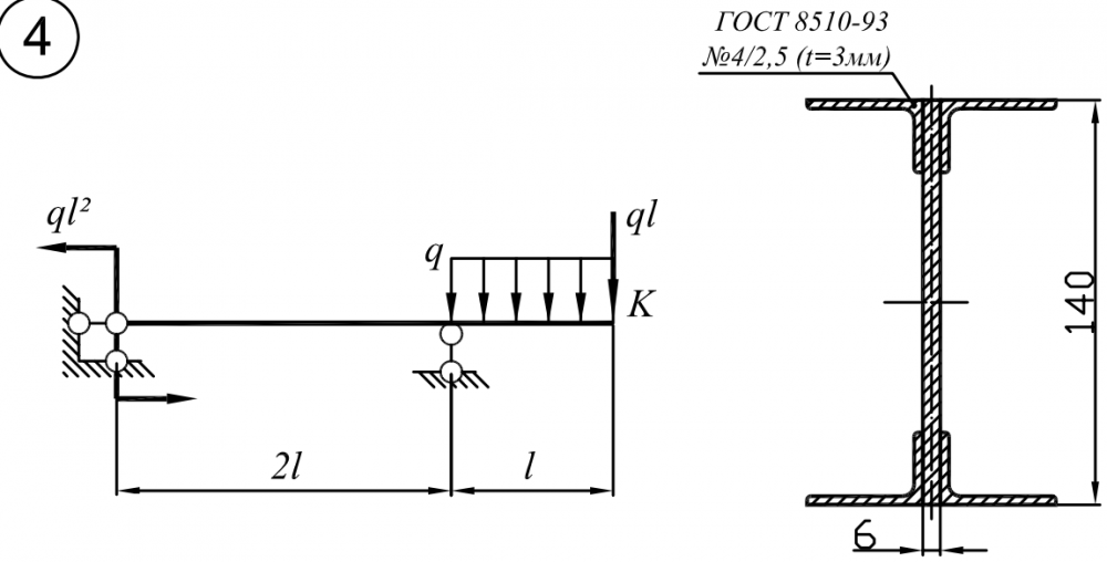
Условие:
Решение:
Показать/скрыть дополнительное описание
Условие:

Решение:

Типовой расчет по сопротивлению материалов МГТУ 3 семестр домашнее задание кручение сжатие растяжение.
Характеристики решённой задачи
Предмет
Учебное заведение
Семестр
Номер задания
Вариант
Теги
Просмотров
7
Качество
Скан рукописных листов
Размер
4,28 Mb
Список файлов
Вариант 4 П Изгиб 16.pdf

Спасибо за покупку! Я буду очень рад, если поставишь справедливую оценку купленному файлу :3 Ищи больше работ в моём профиле, там много нужного тебе!