Для студентов МГТУ им. Н.Э.Баумана по предмету Сопротивление материаловЗадача 4.1Задача 4.1
4,97514409
2023-08-112024-09-04СтудИзба
Вариант 3 - Прямой изгиб - Задача 4.1
Задача 4.1 вариант 3
-22%
Описание
Типовой расчет по сопротивлению материалов №3 "Статически определимые балки", задача № 4.1, зачтено
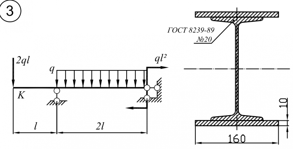
Условие:
Решение:
Показать/скрыть дополнительное описание
Условие:


Показать/скрыть дополнительное описание
Типовой расчет по сопротивлению материалов МГТУ 3 семестр домашнее задание кручение сжатие растяжение.
Характеристики решённой задачи
Предмет
Учебное заведение
Семестр
Номер задания
Вариант
Теги
Просмотров
9
Качество
Фото рукописных листов
Размер
880,33 Kb
Список файлов
Вариант 3 П Изгиб 14.pdf

Спасибо за покупку! Я буду очень рад, если поставишь справедливую оценку купленному файлу :3 Ищи больше работ в моём профиле, там много нужного тебе!