Для студентов МГТУ им. Н.Э.Баумана по предмету Сопротивление материаловЗадача 4.2Задача 4.2
4,96529745
2023-08-112024-11-15СтудИзба
Задача 4.2 вариант 13
-38%
Описание


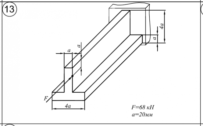
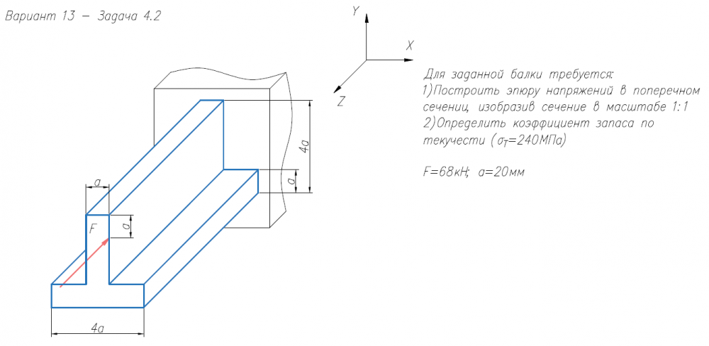
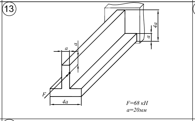
Для заданной балки требуется: 1)Построить эпюру напряжений в поперечном сечении, изобразив сечение в масштабе 1:1 2)Определить коэффициент запаса по текучести (σ/Т=240МПа).
Характеристики решённой задачи
Предмет
Учебное заведение
Семестр
Номер задания
Вариант
Программы
Теги
Просмотров
17
Качество
Идеальное компьютерное
Размер
72,91 Kb
Список файлов
Вариант 13 - Задача 4.2.pdf

Вам все понравилось? Получите кэшбэк - 40 рублей на Ваш счёт при покупке. Поставьте оценку и напишите положительный комментарий к купленному файлу. После Вы получите деньги на ваш счет.