Для студентов МГТУ им. Н.Э.Баумана по предмету Сопротивление материаловЗадача 2.2Задача 2.2
5,0051
2023-08-112024-09-04СтудИзба
Вариант 20 - Растяжение-Сжатие - Задача 2.2
Задача 2.2 вариант 20
-47%
Описание
Типовой расчет по сопротивлению материалов №2 "Растяжение-сжатие", задача № 2.2, зачтено
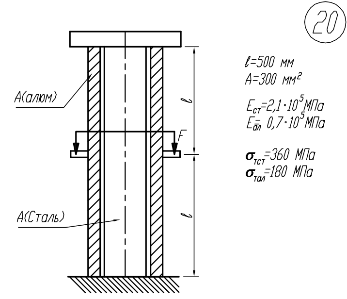
Условие:
Решение:
Показать/скрыть дополнительное описание
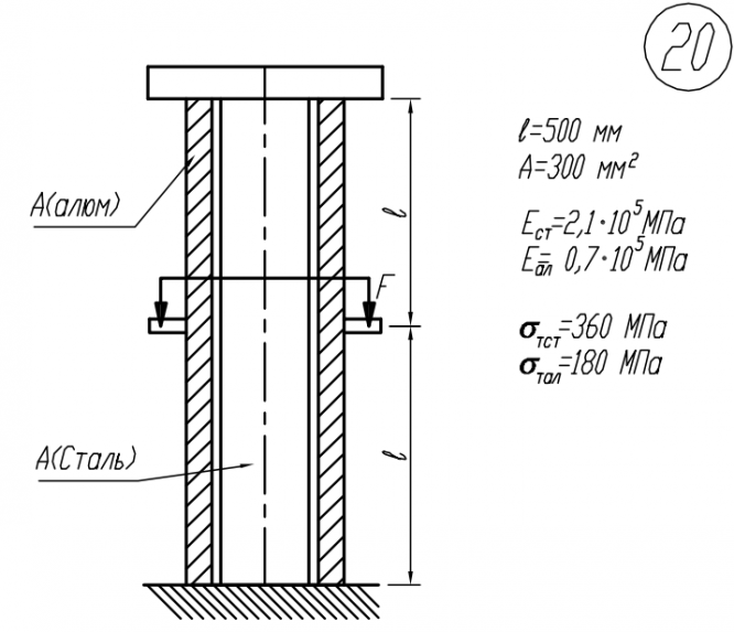
Условие:

Решение:

Типовой расчет по сопротивлению материалов МГТУ 3 семестр домашнее задание кручение сжатие растяжение.
Характеристики решённой задачи
Предмет
Учебное заведение
Семестр
Номер задания
Вариант
Теги
Просмотров
24
Качество
Идеальное компьютерное
Размер
944,56 Kb
Список файлов
Вариант 20 Раст-Сжат 2 131.pdf

Спасибо за покупку! Я буду очень рад, если поставишь справедливую оценку купленному файлу :3 Ищи больше работ в моём профиле, там много нужного тебе!