Для студентов МГТУ им. Н.Э.Баумана по предмету Сопротивление материаловЗадача 2.2Задача 2.2
4,97514418
2023-08-102024-09-04СтудИзба
Вариант 13 - Растяжение-Сжатие - Задача 2.2
Задача 2.2 вариант 13
-47%
Описание
Типовой расчет по сопротивлению материалов №2 "Растяжение-сжатие", задача № 2.2, зачтено
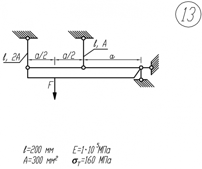
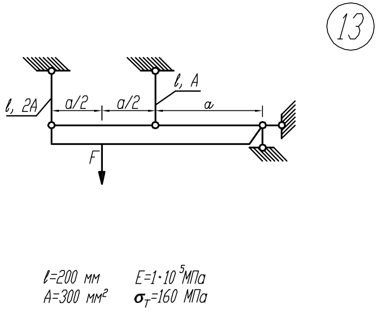
Условие:
Решение:
Показать/скрыть дополнительное описание
Условие:


Типовой расчет по сопротивлению материалов МГТУ 3 семестр домашнее задание кручение сжатие растяжение.
Характеристики решённой задачи
Предмет
Учебное заведение
Семестр
Номер задания
Вариант
Теги
Просмотров
1
Качество
Скан рукописных листов
Размер
853,51 Kb
Список файлов
Вариант 13 Раст-Сжат 2 83.pdf

Спасибо за покупку! Я буду очень рад, если поставишь справедливую оценку купленному файлу :3 Ищи больше работ в моём профиле, там много нужного тебе!