Для студентов МГТУ им. Н.Э.Баумана по предмету Сопротивление материаловЗадача 3Задача 3
4,97514422
2023-08-102024-09-04СтудИзба
Вариант 3 - Кручение - Задача 2.3
Задача 3 вариант 3
-47%
Описание
Типовой расчет по сопротивлению материалов №2 "Кручение", задача № 2.3, зачтено
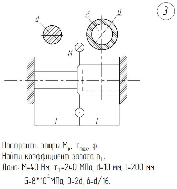
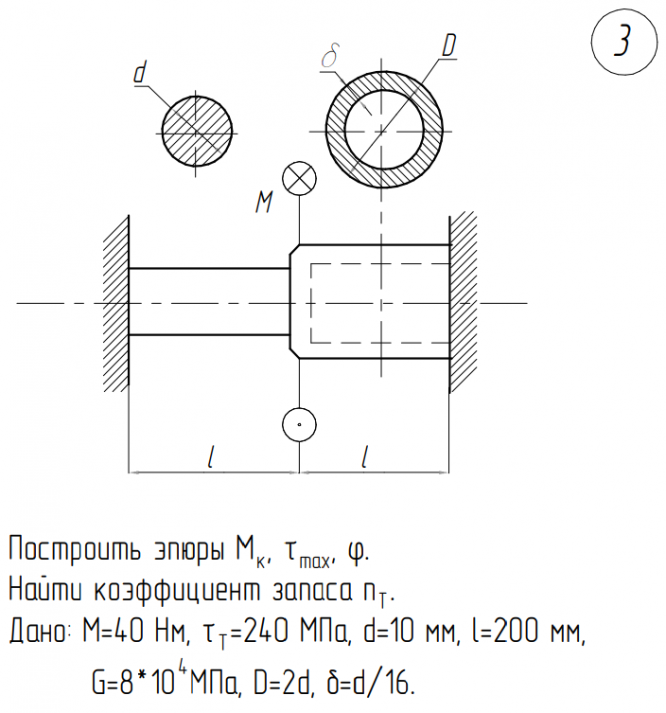
Условие:
Решение:
Показать/скрыть дополнительное описание
Условие:


Типовой расчет по сопротивлению материалов МГТУ 3 семестр домашнее задание кручение сжатие растяжение.
Характеристики решённой задачи
Предмет
Учебное заведение
Семестр
Номер задания
Вариант
Теги
Просмотров
6
Качество
Скан рукописных листов
Размер
271,9 Kb
Список файлов
Вариант 3 Кручение 13.pdf

Спасибо за покупку! Я буду очень рад, если поставишь справедливую оценку купленному файлу :3 Ищи больше работ в моём профиле, там много нужного тебе!