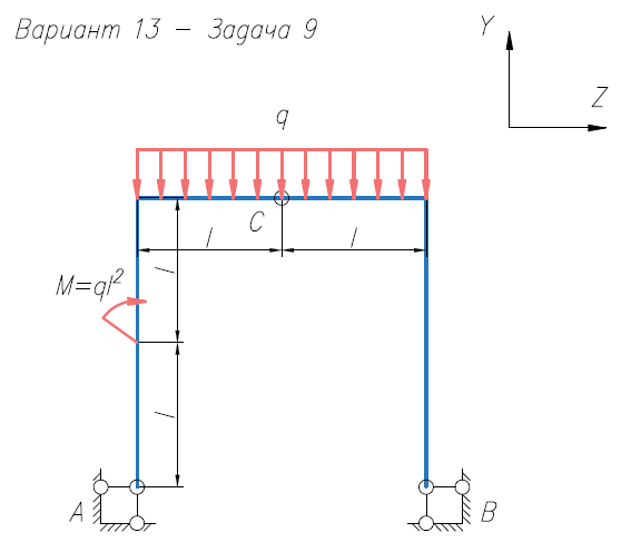
Для студентов МГТУ им. Н.Э.Баумана по предмету Сопротивление материаловЗадача 1.9Задача 1.9
5,0051
2023-08-092024-09-01СтудИзба
Задача 1.9 вариант 13
-41%
Описание


Характеристики решённой задачи
Предмет
Учебное заведение
Семестр
Номер задания
Вариант
Программы
Теги
Просмотров
15
Качество
Идеальное компьютерное
Размер
30,75 Kb
Список файлов
Вариант 13 - Задача (9).pdf

Вам все понравилось? Получите кэшбэк - 40 рублей на Ваш счёт при покупке. Поставьте оценку и напишите положительный комментарий к купленному файлу. После Вы получите деньги на ваш счет.