Для студентов МГТУ им. Н.Э.Баумана по предмету Сопротивление материаловЗадача 1.11Задача 1.11
4,97514428
2023-08-092024-09-04СтудИзба
Вариант 5 - Построение эпюр внутренних силовых факторов - Задача 11
Задача 1.11 вариант 5
-60%
Описание
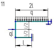
Типовой расчет по сопротивлению материалов №1 "Построение эпюр внутренних силовых факторов", задача № 11, зачтено
Условие:
Решение:
Показать/скрыть дополнительное описание
Условие:


Типовой расчет по сопротивлению материалов МГТУ 3 семестр домашнее задание кручение сжатие растяжение.
Характеристики решённой задачи
Предмет
Учебное заведение
Семестр
Номер задания
Вариант
Теги
Просмотров
1
Качество
Фото рукописных листов
Размер
571,45 Kb
Список файлов
Вариант 5 Эпюра 11 42.png

Спасибо за покупку! Я буду очень рад, если поставишь справедливую оценку купленному файлу :3 Ищи больше работ в моём профиле, там много нужного тебе!