Для студентов МГТУ им. Н.Э.Баумана по предмету Сопротивление материаловЗадача 1.5Задача 1.5
4,92523563
2023-08-092024-10-18СтудИзба
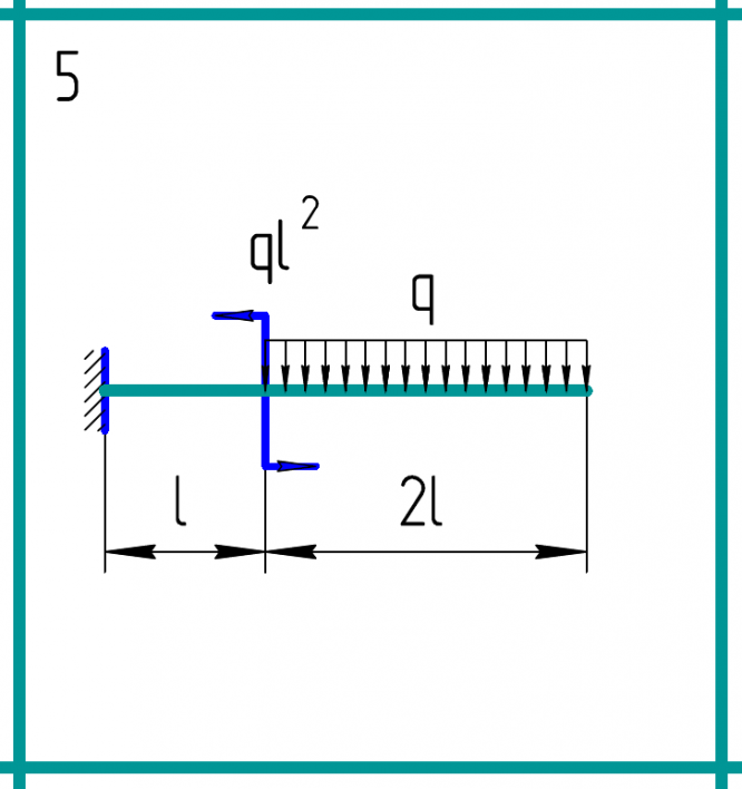
Задача 1.5 вариант 10
-60%
Описание
Характеристики решённой задачи
Предмет
Учебное заведение
Семестр
Номер задания
Вариант
Теги
Просмотров
5
Качество
Фото рукописных листов
Размер
234,73 Kb
Список файлов
(5).pdf

Вам все понравилось? Получите кэшбэк - 40 рублей на Ваш счёт при покупке. Поставьте оценку и напишите положительный комментарий к купленному файлу. После Вы получите деньги на ваш счет.