Для студентов МГТУ им. Н.Э.Баумана по предмету Сопротивление материаловЗадача 5.1Задача 5.1
5,0052
2023-05-282025-09-08СтудИзба
Вариант 12 - Задание № 5.1 - Статически неопределимые задачи изгиба
Задача 5.1 вариант 12
-41%
Описание
Задача зачтена на максимум!
УСЛОВИЕ
ДЕМО
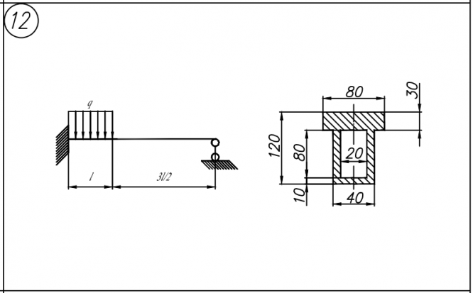
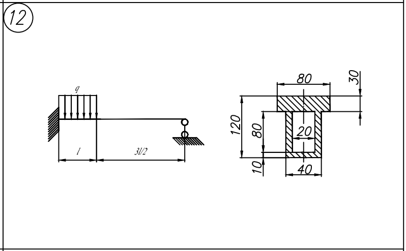
Задача № 5.1:

Произвести расчёт балки при упругих деформациях.
Характеристики решённой задачи
Предмет
Учебное заведение
Семестр
Номер задания
Вариант
Теги
Просмотров
33
Качество
Скан рукописных листов
Размер
4,82 Mb
Список файлов
Задача 5_1 Вариант 12.pdf

Если работа Вам была полезна, Пожалуйста, потратьте несколько секунд, чтобы оставить нам 5 ЗВЁЗД и положительный отзывы. Мы Вам глубоко признателены!