Для студентов МГТУ им. Н.Э.Баумана по предмету Сопротивление материаловЗадача 5.2Задача 5.2
4,9957346
2023-05-272025-09-08СтудИзба
Вариант 10 - Задание № 5.2- Статически неопределимые задачи изгиба
Задача 5.2 вариант 10
-41%
Описание
Задача зачтена на максимум!
УСЛОВИЕ
ДЕМО
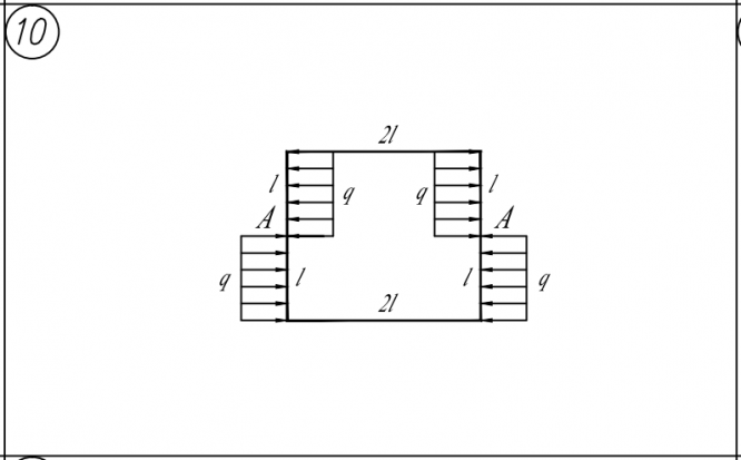
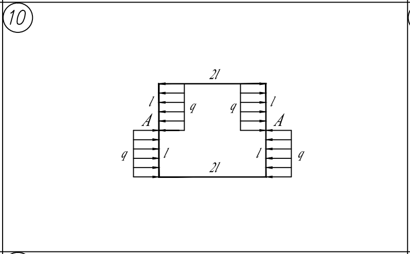
Задача №2:
Раскрыть статическую неопределимость и построить эпюру Мизг.
Характеристики решённой задачи
Предмет
Учебное заведение
Семестр
Номер задания
Вариант
Теги
Просмотров
16
Качество
Скан рукописных листов
Размер
1,95 Mb
Список файлов
Задача 5_2 Вариант 10.pdf

Если работа Вам была полезна, Пожалуйста, потратьте несколько секунд, чтобы оставить нам 5 ЗВЁЗД и положительный отзывы. Мы Вам глубоко признателены!