Для студентов МГТУ им. Н.Э.Баумана по предмету Сопротивление материаловЗадача 5.1Задача 5.1
5,0052
2023-03-042025-03-26СтудИзба
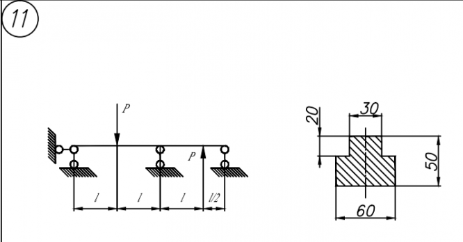
Вариант 11 - ДЗ №1 - "Статически неопределимые задачи изгиба" - Задача 1
Задача 5.1 вариант 11
Описание
Домашнее задание №1, "Статически неопределимые задачи изгиба", зачтено
Задача 5.1:
Показать/скрыть дополнительное описание
Задача 5.1:


Типовой расчет по сопротивлению материалов МГТУ.
Характеристики решённой задачи
Предмет
Учебное заведение
Семестр
Номер задания
Вариант
Теги
Просмотров
62
Качество
Фото рукописных листов
Размер
1,43 Mb
Список файлов
Вариант 11 СОЗИ 1 114.pdf

Спасибо за покупку! Я буду очень рад, если поставишь справедливую оценку купленному файлу :3 Ищи больше работ в моём профиле, там много нужного тебе!