Для студентов МГТУ им. Н.Э.Баумана по предмету Сопротивление материаловЗадача 2.2Задача 2.2
5,0053
2022-12-062024-09-04СтудИзба
Вариант 15 - Растяжение-Сжатие - Задача 2.2
Задача 2.2 вариант 15
-47%
Описание
Типовой расчет по сопротивлению материалов №2 "Растяжение-сжатие", задача № 2.2, зачтено
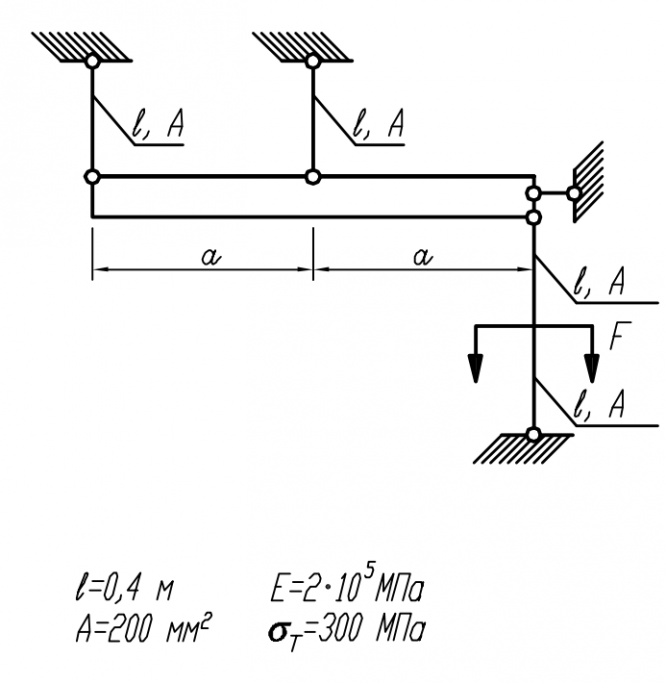
Условие:
Решение:
Показать/скрыть дополнительное описание
Условие:


Показать/скрыть дополнительное описание
Типовой расчет по сопротивлению материалов МГТУ 3 семестр домашнее задание кручение сжатие растяжение.
Характеристики решённой задачи
Предмет
Учебное заведение
Семестр
Номер задания
Вариант
Теги
Просмотров
702
Качество
Фото рукописных листов
Размер
590,82 Kb
Список файлов
Вариант 15 Раст-Сжат 88.pdf

Спасибо за покупку! Я буду очень рад, если поставишь справедливую оценку купленному файлу :3 Ищи больше работ в моём профиле, там много нужного тебе!