Для студентов МГТУ им. Н.Э.Баумана по предмету Сопротивление материаловСтатически определимые балкиСтатически определимые балки
5,00510
2023-12-032024-12-08СтудИзба
ДЗ 3: Статически определимые балки вариант 15
-55%
Описание
Зачтено на максимальный балл🌞🌞🌞
Спасибо за покупку 😍 😍😍😍😍
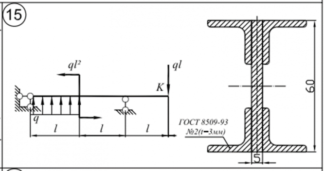
Задача 4.1

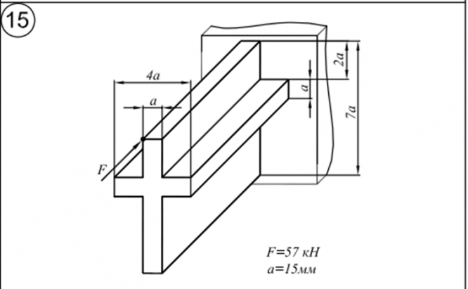
Задача 4.2


Пример решения
Задача 4.1


Задача 4.2


Характеристики домашнего задания
Предмет
Учебное заведение
Семестр
Номер задания
Вариант
Программы
Теги
Просмотров
141
Качество
Идеальное компьютерное
Размер
300,65 Kb
Список файлов
Вариант 15 - задача 4-2.docx
Вариант 15 - задача 4-1.docx

Ваше удовлетворение является нашим приоритетом, если вы удовлетворены нами, пожалуйста, оставьте нам 5 ЗВЕЗД и позитивных комментариев. Спасибо большое!. Смотрите файлы в моем профиле, там есть много полезных !