Для студентов МГТУ им. Н.Э.Баумана по предмету Сопротивление материаловЗадача 2.2Задача 2.2
4,97514428
2022-11-032024-09-04СтудИзба
Вариант 13 - Растяжение-Сжатие - Задача 2.2
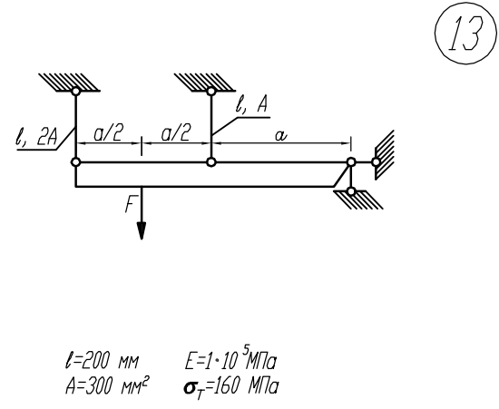
Задача 2.2 вариант 13
-47%
Описание
Типовой расчет по сопротивлению материалов №2 "Растяжение-сжатие", задача № 2.2, зачтено
Условие:
Пример решения:
Показать/скрыть дополнительное описание
Условие:


Типовой расчет по сопротивлению материалов МГТУ 3 семестр домашнее задание кручение сжатие растяжение.
Характеристики решённой задачи
Предмет
Учебное заведение
Семестр
Номер задания
Вариант
Теги
Просмотров
10
Качество
Фото рукописных листов
Размер
786,44 Kb
Список файлов
Вариант 13 Раст-сжат 55.pdf

Спасибо за покупку! Я буду очень рад, если поставишь справедливую оценку купленному файлу :3 Ищи больше работ в моём профиле, там много нужного тебе!